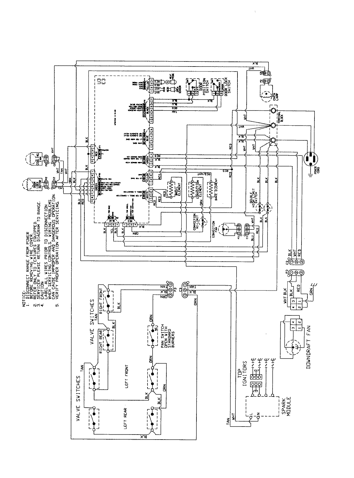
JDS9860BDB 09 – WIRING INFORMATIONadmin2025-04-26T09:27:08+00:00JDS9860BDB 09 – WIRING INFORMATION ProductsPositionProductNIMAY 15003900