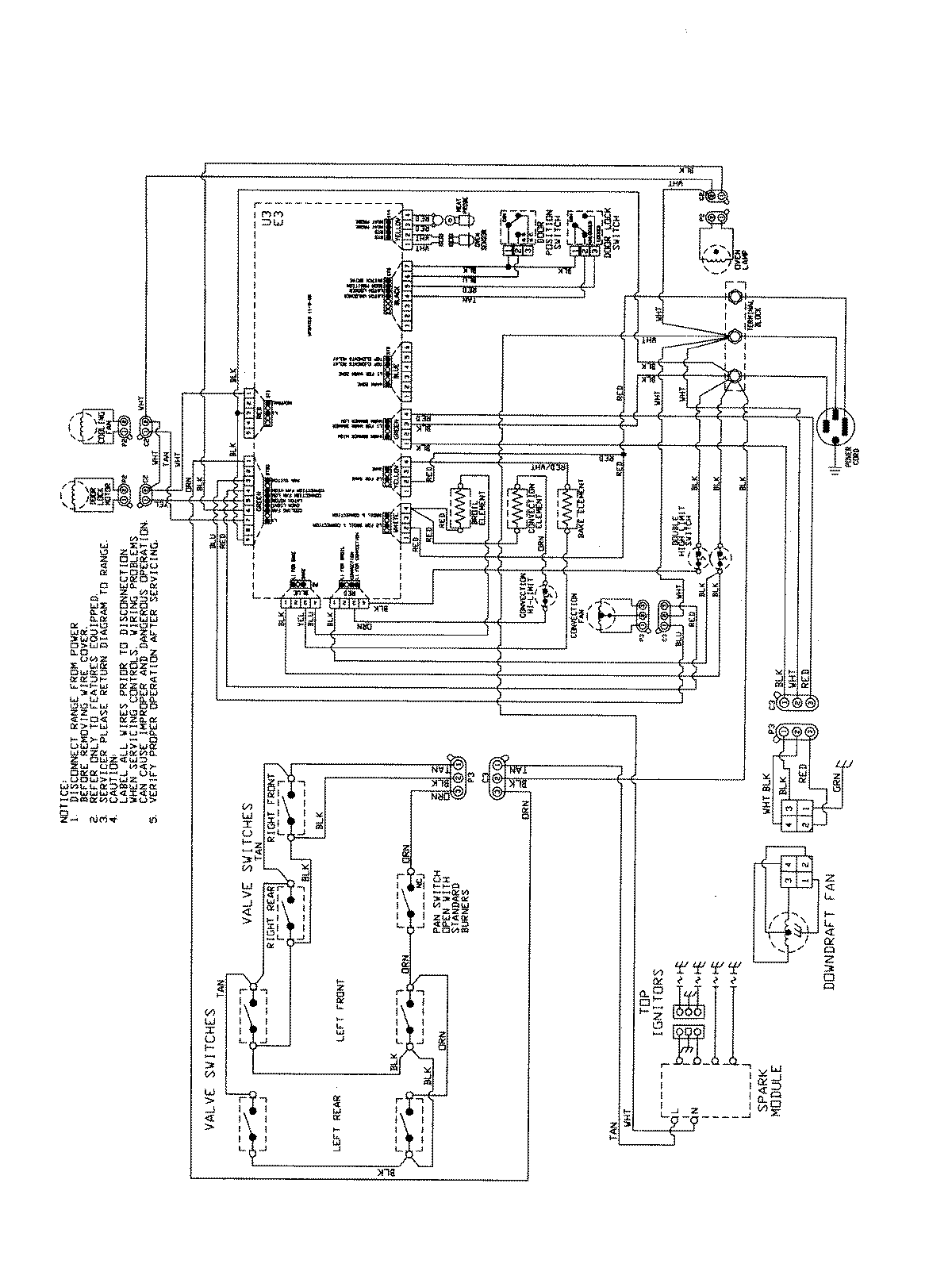
JDS9860BDW 09 – WIRING INFORMATIONadmin2025-04-26T09:30:36+00:00JDS9860BDW 09 – WIRING INFORMATION ProductsPositionProductNIMAY 15003900