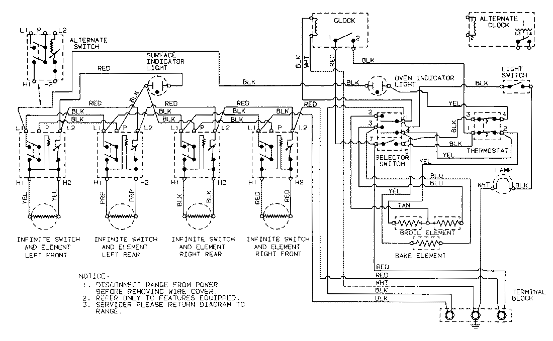
JE3521XRA 06 – WIRING INFORMATIONadmin2025-04-26T09:27:57+00:00JE3521XRA 06 – WIRING INFORMATION ProductsPositionProductNIMAY 15001468