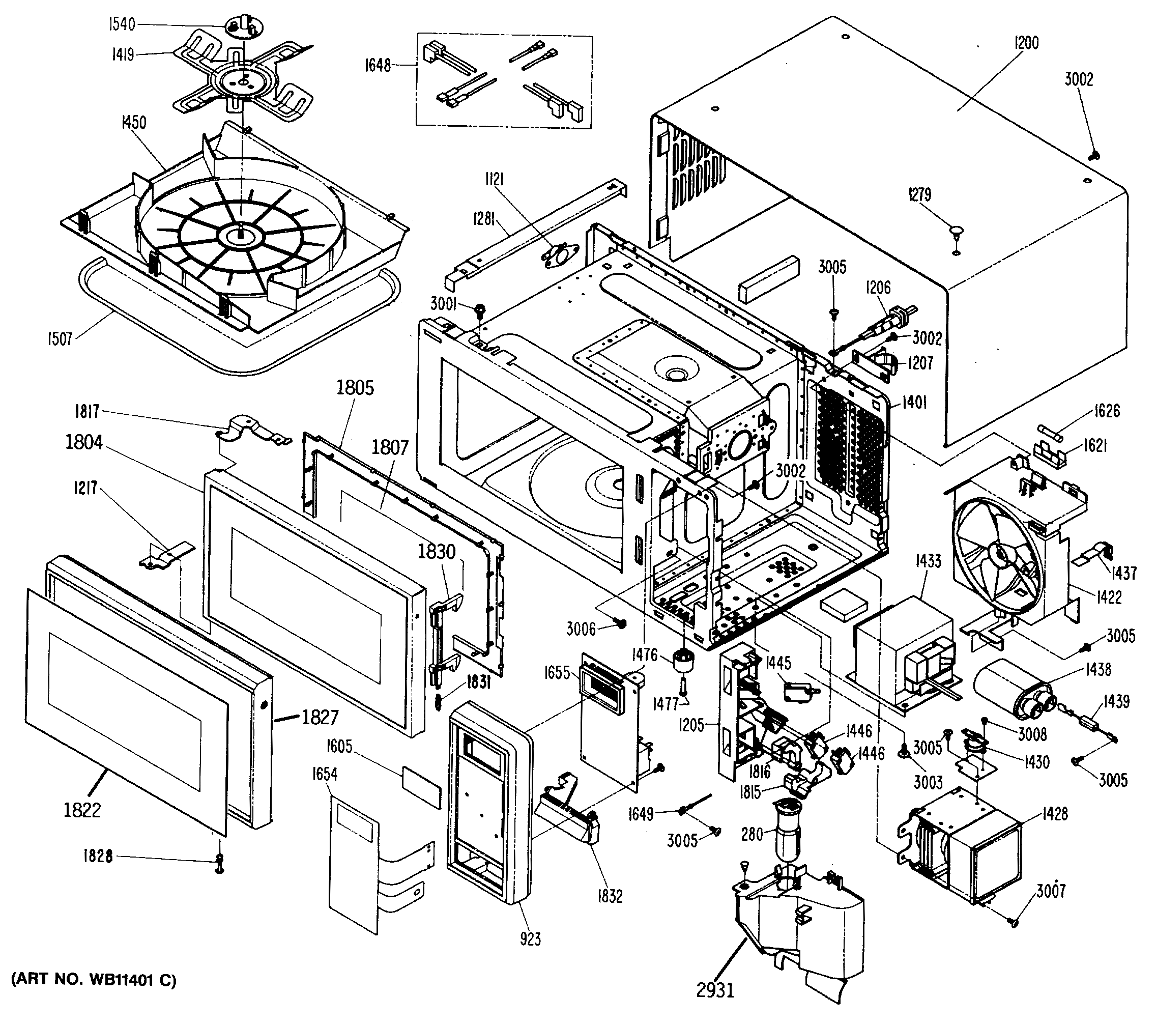
| 280 | LAMP |
| 923 | GEN WB07X1874 |
| 1121 | WB27X10195 GE Oven Thermostat |
| 1200 | GEN WB56X2065 |
| 1205 | GEN WB63X0441 |
| 1206 | GEN WB18X0418 |
| 1207 | GEN WB06X0145 |
| 1217 | GEN WB14X0154 |
| 1279 | GEN WB06X0144 |
| 1281 | GEN WB06X0146 |
| 1401 | OVEN ASSEMBLY |
| 1419 | GEN WB06X0137 |
| 1422 | GEN WB26X0135 |
| 1428 | GEN WB27X0618 |
| 1430 | GEN WB24X0410 |
| 1433 | GEN WB27X0617 |
| 1437 | GEN WB06X0143 |
| 1438 | GEN WB27X0524 |
| 1439 | WB27X1160 GE Microwave High Voltage Diode |
| 1445 | WB24X829 GE Oven Microwave Secondary Micro Switch |
| 1450 | GEN WB63X0440 |
| 1476 | GEN WB06X0138 |
| 1477 | PIN-FOOT |
| 1507 | GEN WB49X0667 |
| 1540 | GEN WB06X0136 |
| 1605 | GEN WB36X0809 |
| 1621 | FUSE HOLDER |
| 1626 | WB27X7 GE Oven Fuse |
| 1648 | GEN WB18X0430 |
| 1649 | GEN WB18X0431 |
| 1654 | GEN WB27X0691 |
| 1655 | GEN WB27X0690 |
| 1804 | GEN WB55X0738 |
| 1805 | GEN WB55X0737 |
| 1807 | GEN WB55X0856 |
| 1815 | GEN WB06X0141 |
| 1816 | GEN WB06X0140 |
| 1817 | GEN WB14X0155 |
| 1827 | GEN WB55X0739 |
| 1828 | GEN WB06X0147 |
| 1830 | GEN WB10X0278 |
| 1831 | GEN WB09X0279 |
| 1832 | GEN WB06X0148 |
| 3001 | GEN WB01X1434 |
| 3002 | GEN WB01X1435 |
| 3003 | WB01X10084 GE Oven Washer Screw |
| 3004 | GEN WB01X1437 |
| 3005 | SCREW, TAP (2-4X10) |
| 3006 | GEN WB01X1439 |
| 3007 | GEN WB01X1440 |
| 3008 | SCREW, TAP, PH (2S-3X6) |
| 9999 | GEN 49-8054 |
| 9999 | GEN 4-A019 |
| 9999 | GEN 31-0767 |