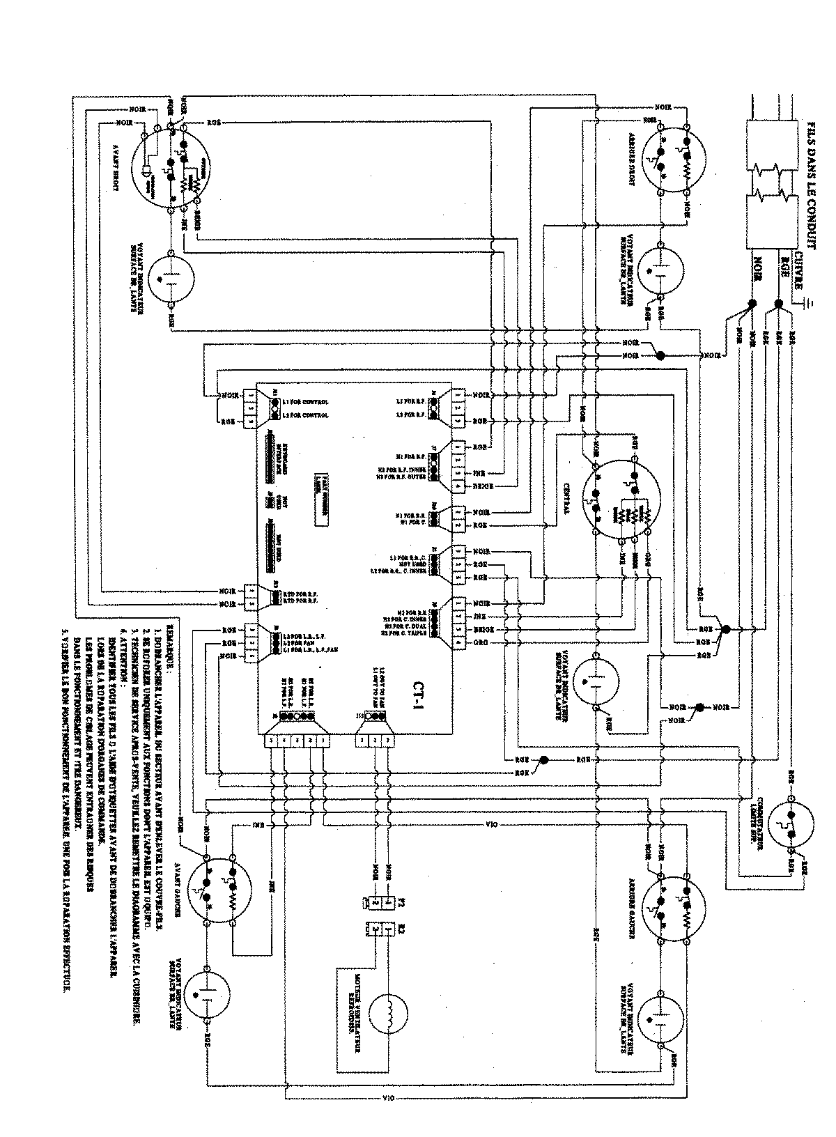
JEC0536ADB 04 – WIRING INFORMATIONadmin2025-04-26T09:29:25+00:00JEC0536ADB 04 – WIRING INFORMATION ProductsPositionProduct1MAY 15003586