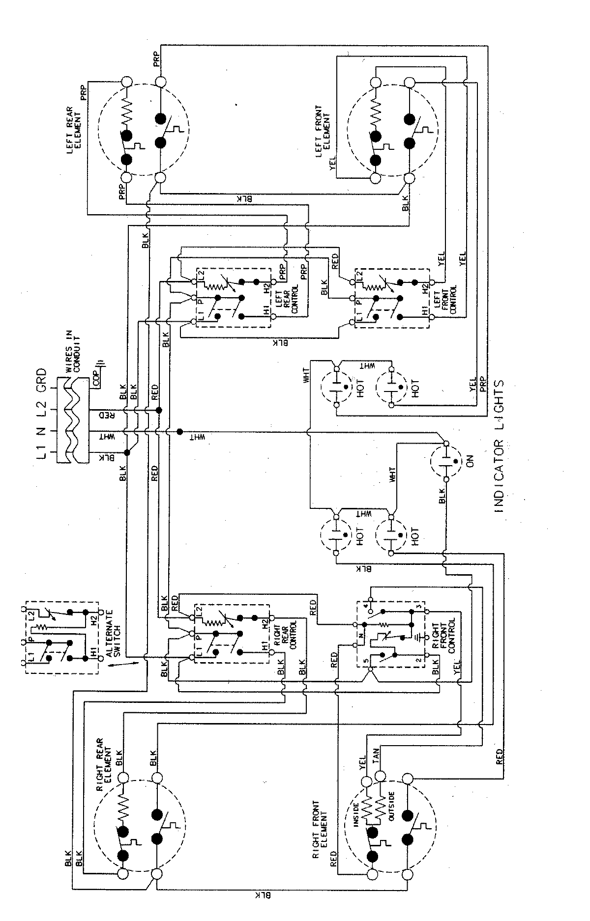
JEC8430ADN 03 – WIRING INFORMATIONadmin2025-04-26T09:29:15+00:00JEC8430ADN 03 – WIRING INFORMATION ProductsPositionProductNIMAY 15003189