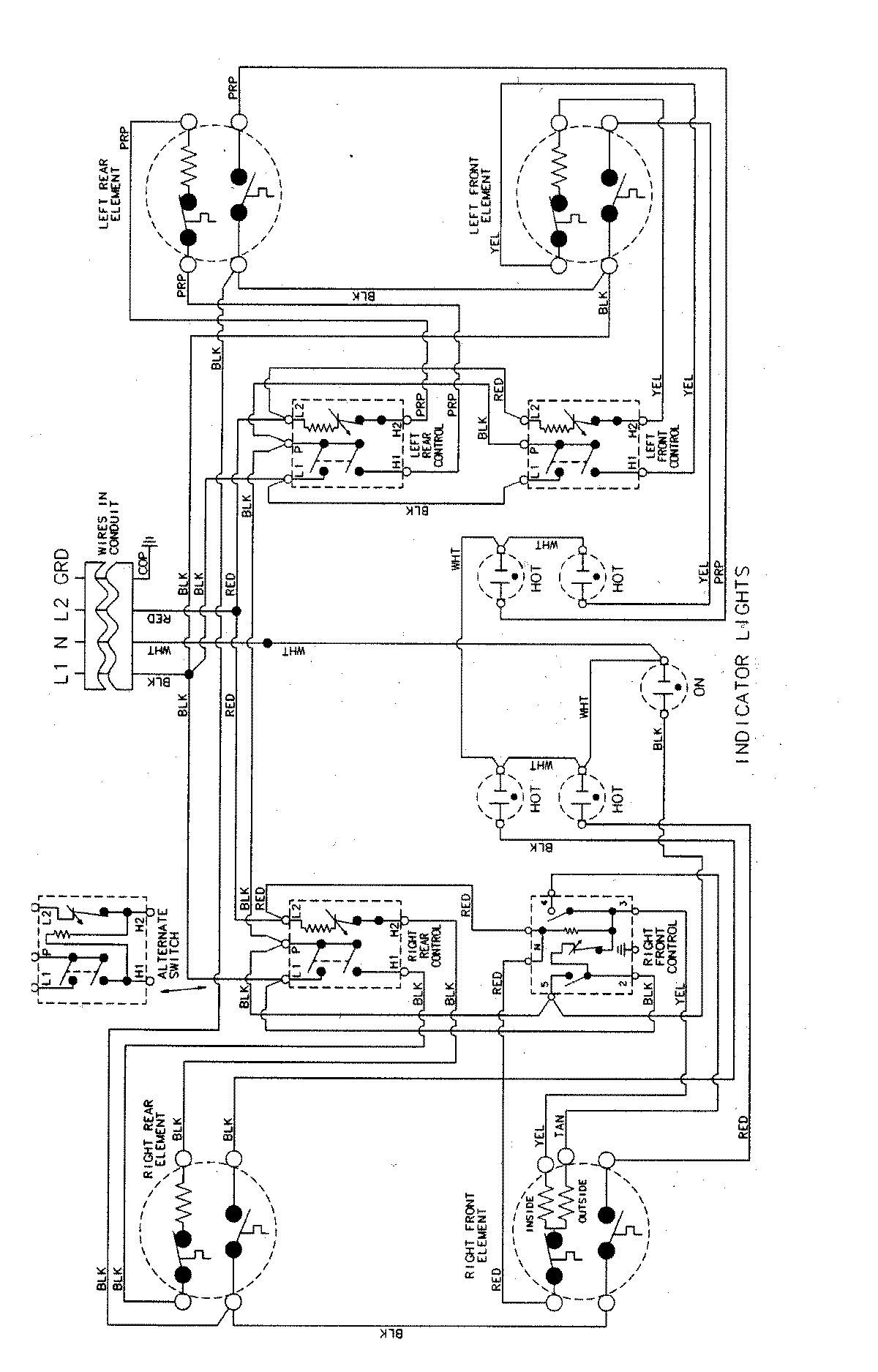
JEC8430ADS 03 – WIRING INFORMATION

JEC8430ADS 03 – WIRING INFORMATION

Products

PositionProduct
NIMAY 15003189