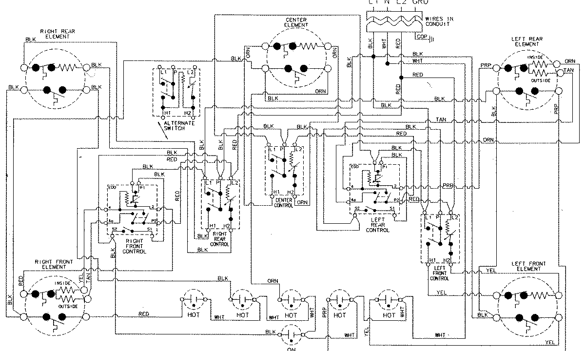
JEC8536ADW 03 – WIRING INFORMATIONadmin2025-04-26T09:29:22+00:00JEC8536ADW 03 – WIRING INFORMATION ProductsPositionProductNIMAY 150031912MAY 15003192