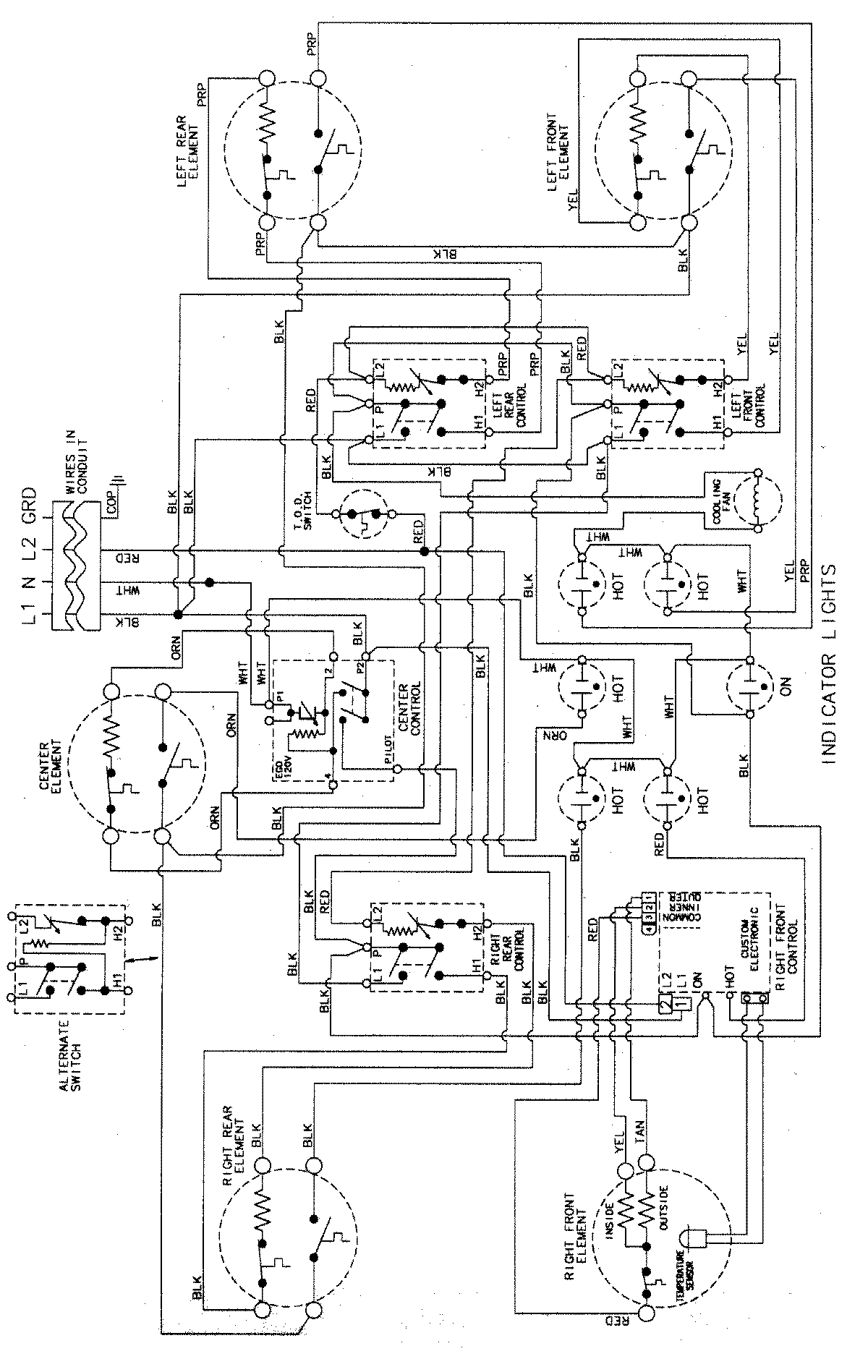
JEC9530ADF 03 – WIRING INFORMATION

JEC9530ADF 03 – WIRING INFORMATION

Products

PositionProduct
NIMAY 15003406