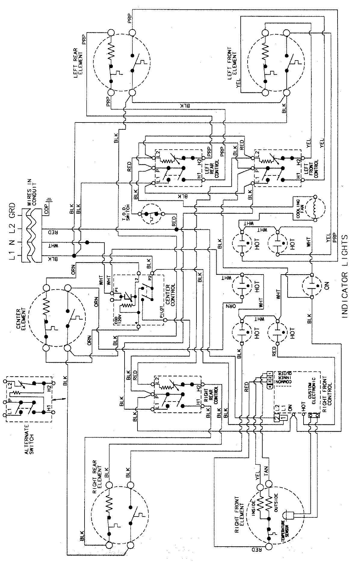
JEC9530ADS 03 – WIRING INFORMATIONadmin2025-04-26T09:30:10+00:00JEC9530ADS 03 – WIRING INFORMATION ProductsPositionProductNIMAY 15003406