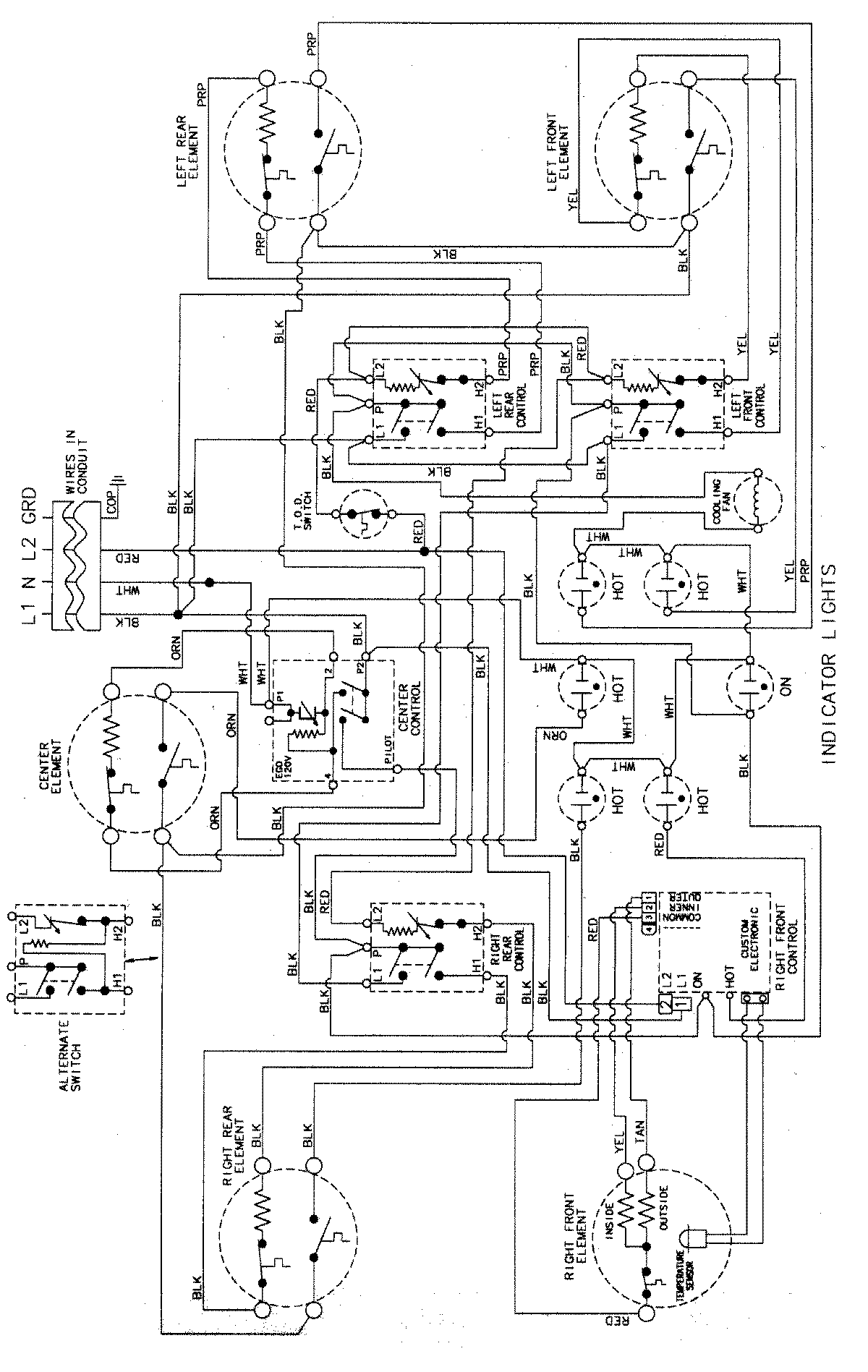
JEC9530ADW 03 – WIRING INFORMATIONadmin2025-04-26T09:31:10+00:00JEC9530ADW 03 – WIRING INFORMATION ProductsPositionProductNIMAY 15003406