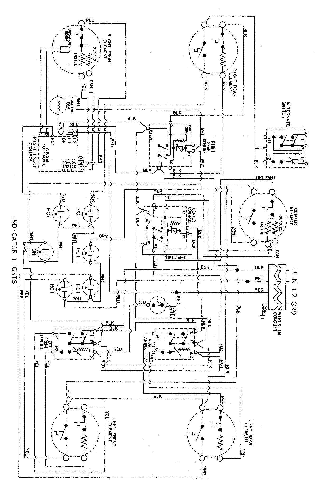
JEC9536ADB 03 – WIRING INFORMATIONadmin2025-04-26T09:30:24+00:00JEC9536ADB 03 – WIRING INFORMATION ProductsPositionProductNIMAY 15003408