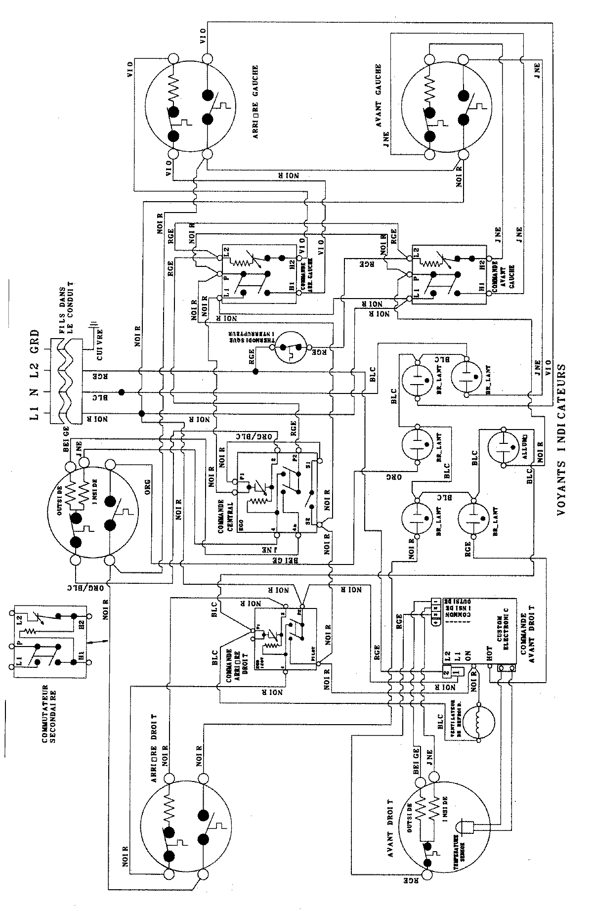
JEC9536ADB 04 – WIRING INFORMATIONadmin2025-04-26T09:30:08+00:00JEC9536ADB 04 – WIRING INFORMATION ProductsPositionProduct1MAY 15003409