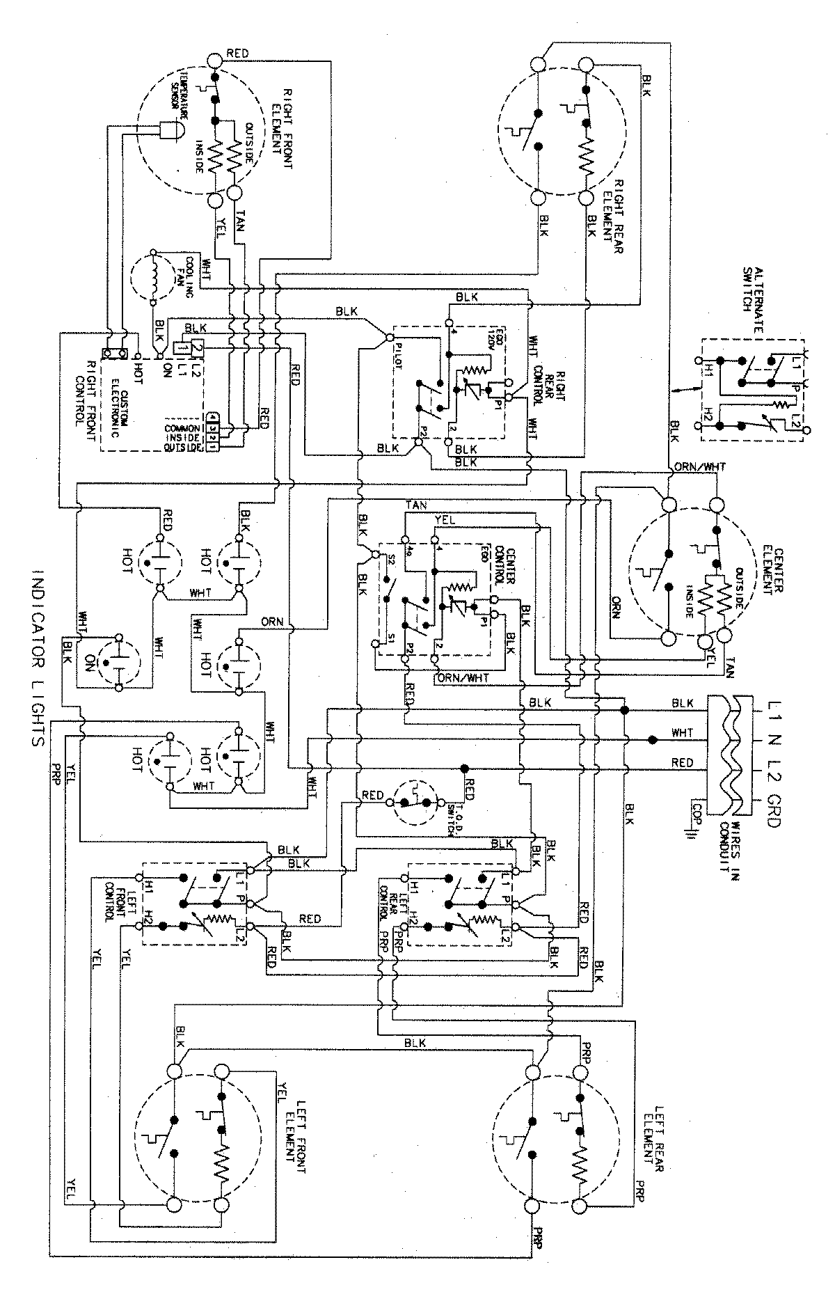
JEC9536ADS 03 – WIRING INFORMATIONadmin2025-04-26T09:26:57+00:00JEC9536ADS 03 – WIRING INFORMATION ProductsPositionProductNIMAY 15003408