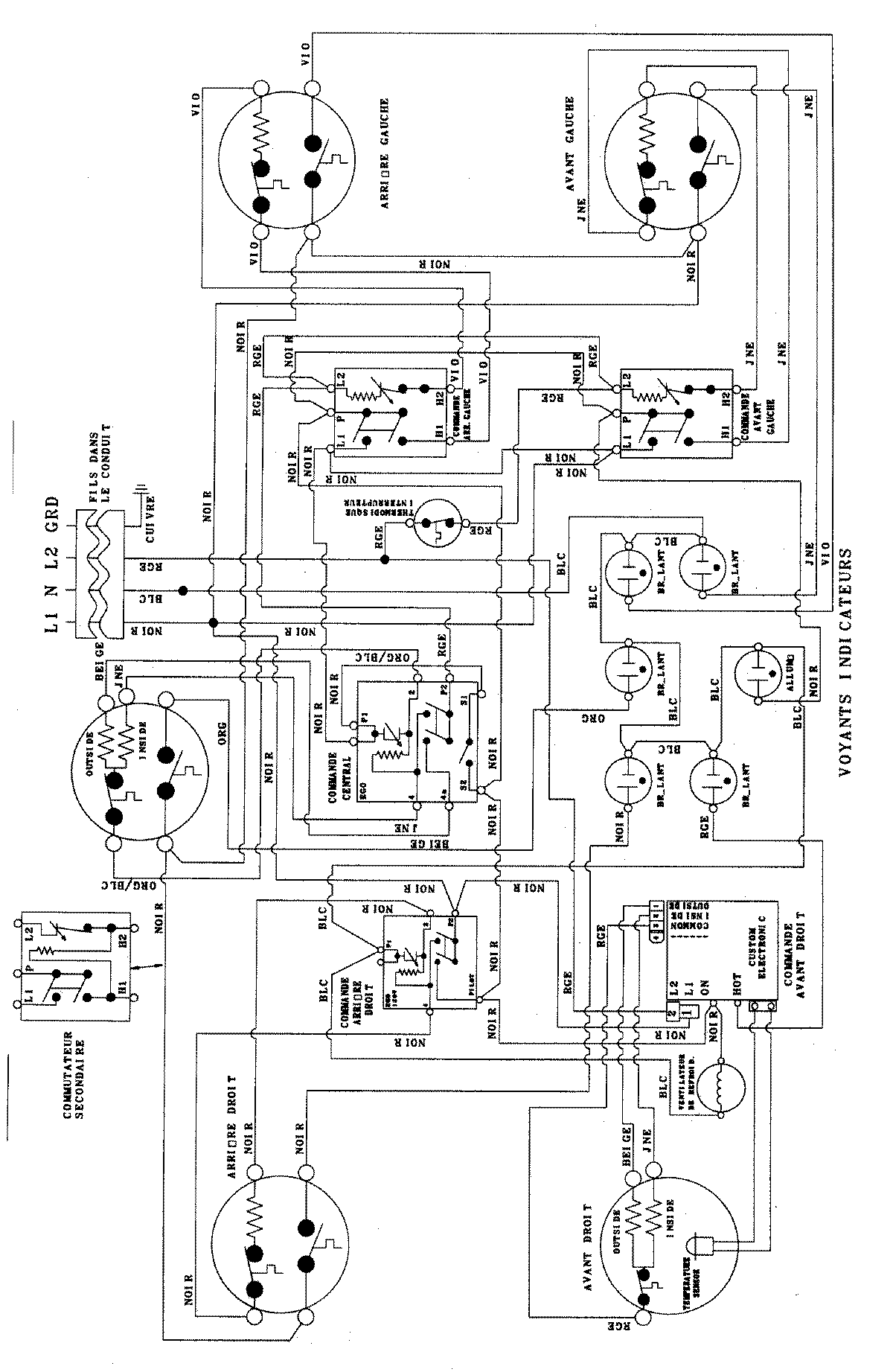
JEC9536ADW 04 – WIRING INFORMATIONadmin2025-04-26T09:27:30+00:00JEC9536ADW 04 – WIRING INFORMATION ProductsPositionProduct1MAY 15003409