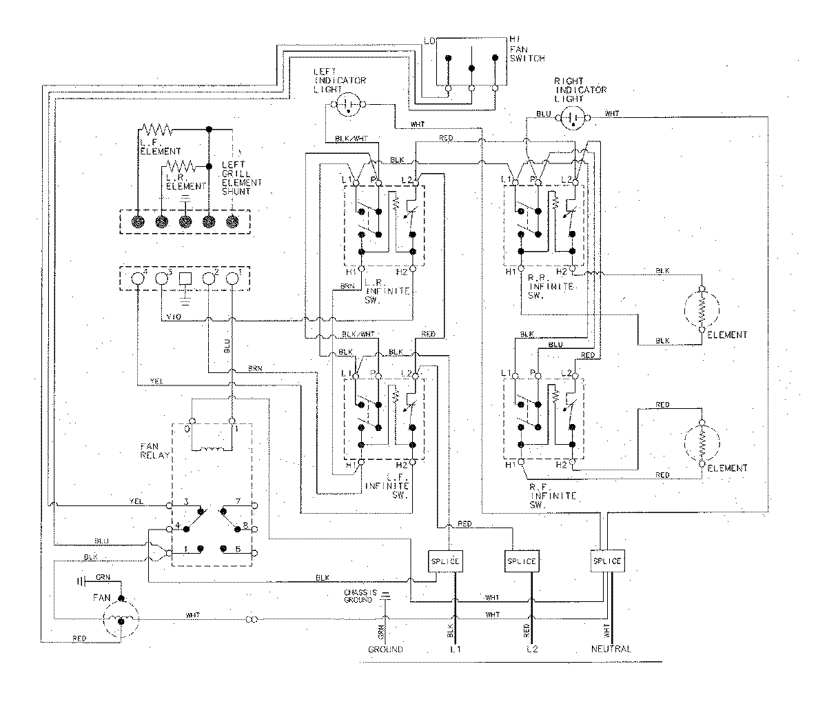
JED8130ADB 04 – WIRING INFORMATIONadmin2025-04-26T09:29:37+00:00JED8130ADB 04 – WIRING INFORMATION ProductsPositionProductNIMAY 15002807