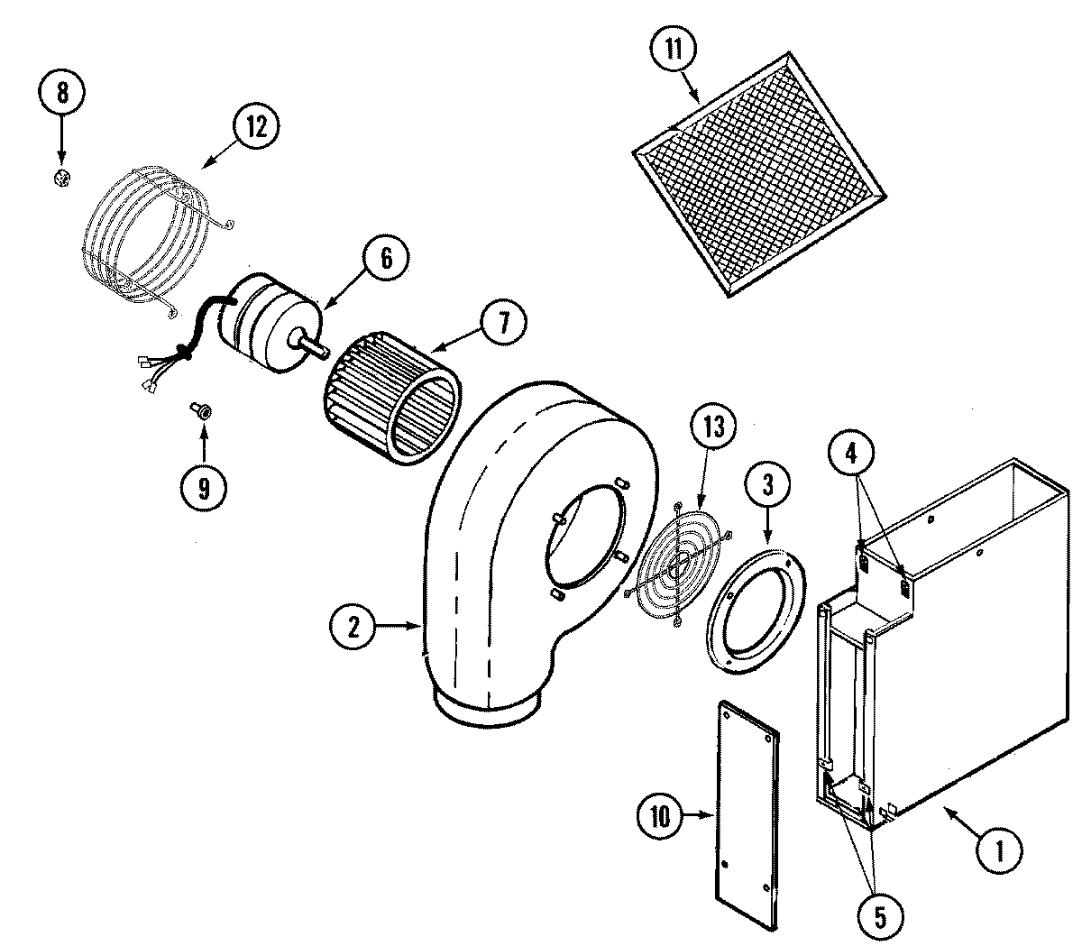
JED8130ADW 01 – BLOWER PLENUMadmin2025-04-26T09:30:49+00:00JED8130ADW 01 – BLOWER PLENUM ProductsPositionProduct1MAY 710015772MAY 71200828038P003-60 Whirlpool Retainer2MAY Y7047613MAY Y7047584MAY Y7078315MAY 740058126MAY 740057857WPY707985 Whirlpool Wheel Assembly8MAY 740057869MAY Y0410052210MAY Y70768110MAY 7100175910MAY 7400586811WP707929 Whirlpool Grease Filter11MAY Y70768811WP90767 Whirlpool Screw12MAY Y70619312SCREW12MAY 7400578713MAY 7100153413MAY 74001521