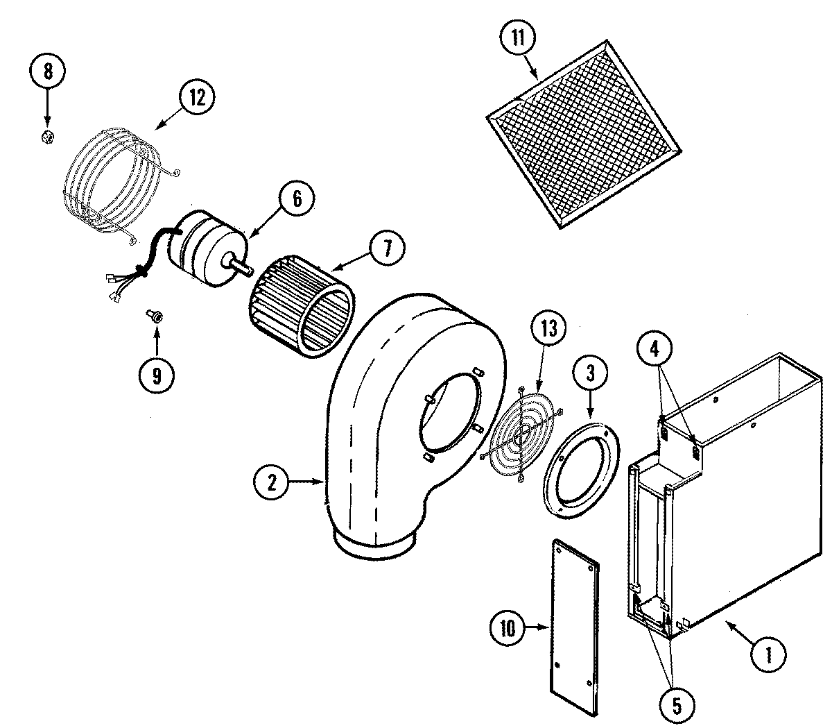
JED8345ADB 01 – BLOWER PLENUMadmin2025-04-26T09:29:12+00:00JED8345ADB 01 – BLOWER PLENUM ProductsPositionProduct1MAY 710015772MAY 71200828038P003-60 Whirlpool Retainer2MAY Y7047613MAY Y7047584MAY Y7078315MAY 740058126MAY 740057857WPY707985 Whirlpool Wheel Assembly8WPY707702 Whirlpool Locknut9MAY Y0410052210MAY Y70768111WP707929 Whirlpool Grease Filter12SCREW12MAY 7400578712MAY Y70619313MAY 7400152113MAY 71001534