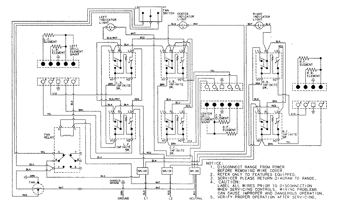
JED8345ADB 04 – WIRING INFORMATIONadmin2025-04-26T09:30:11+00:00JED8345ADB 04 – WIRING INFORMATION ProductsPositionProductNIMAY 15002803