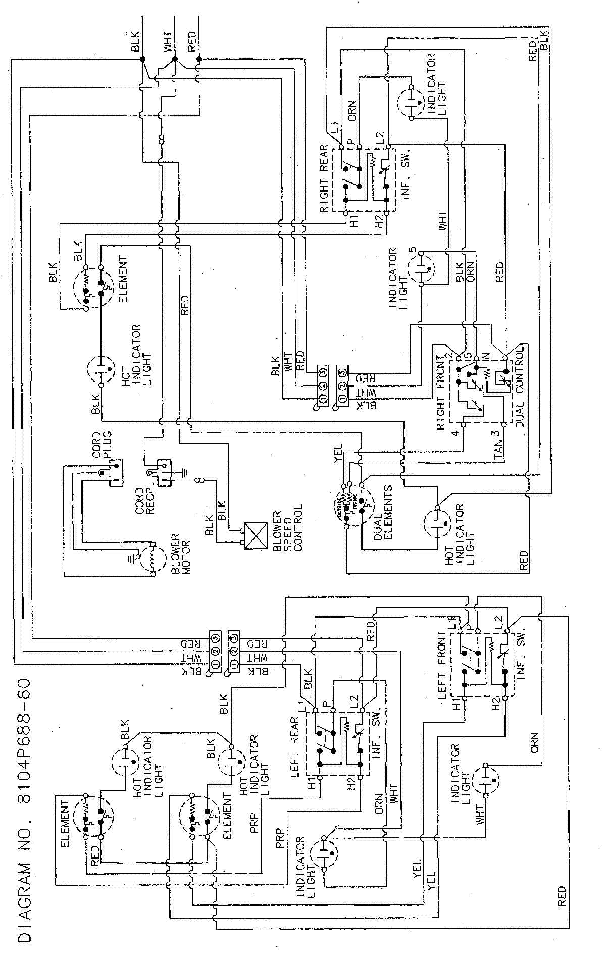
JED8430ADB 04 – WIRING INFORMATIONadmin2025-04-26T09:28:40+00:00JED8430ADB 04 – WIRING INFORMATION ProductsPositionProductNIMAY 15002724NIMAY 150031171MAY 15003118