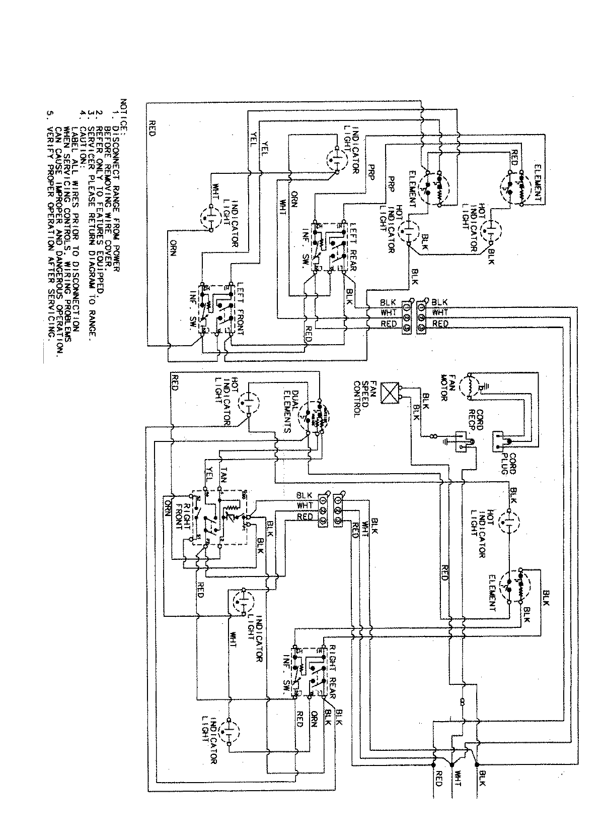
JED8430ADB 05 – WIRING INFORMATIONadmin2025-04-26T09:31:18+00:00JED8430ADB 05 – WIRING INFORMATION ProductsPositionProductNIMAY 15003346