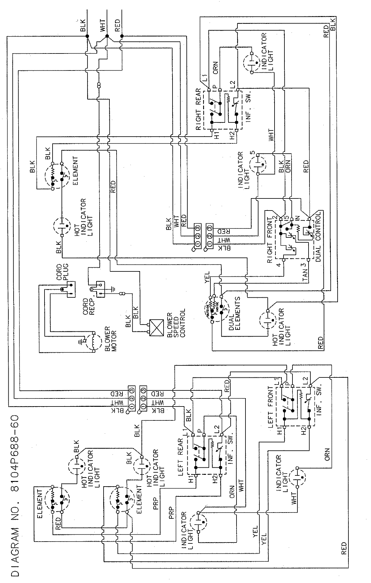
JED8430ADQ 04 – WIRING INFORMATIONadmin2025-04-26T09:27:57+00:00JED8430ADQ 04 – WIRING INFORMATION ProductsPositionProductNIMAY 15002724NIMAY 150031171MAY 15003118