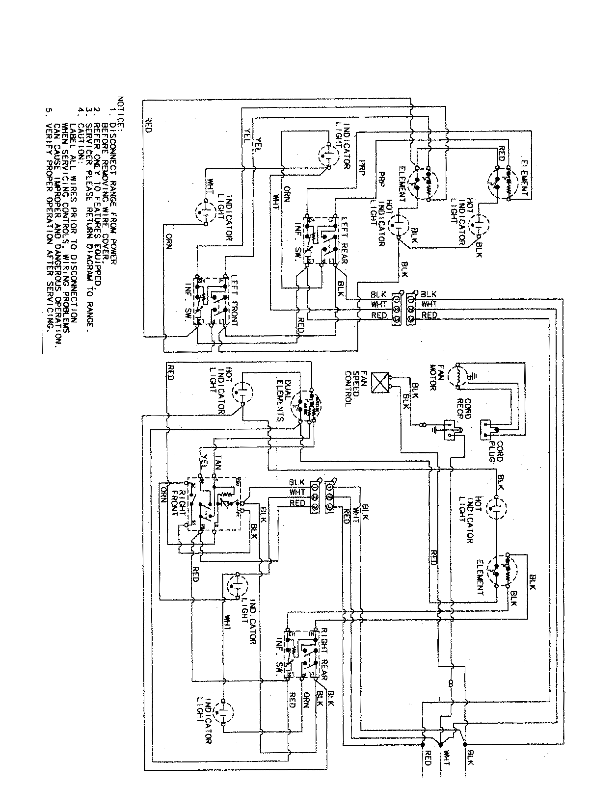
JED8430BDB 05 – WIRING INFORMATIONadmin2025-04-26T09:29:49+00:00JED8430BDB 05 – WIRING INFORMATION ProductsPositionProductNIMAY 15003738