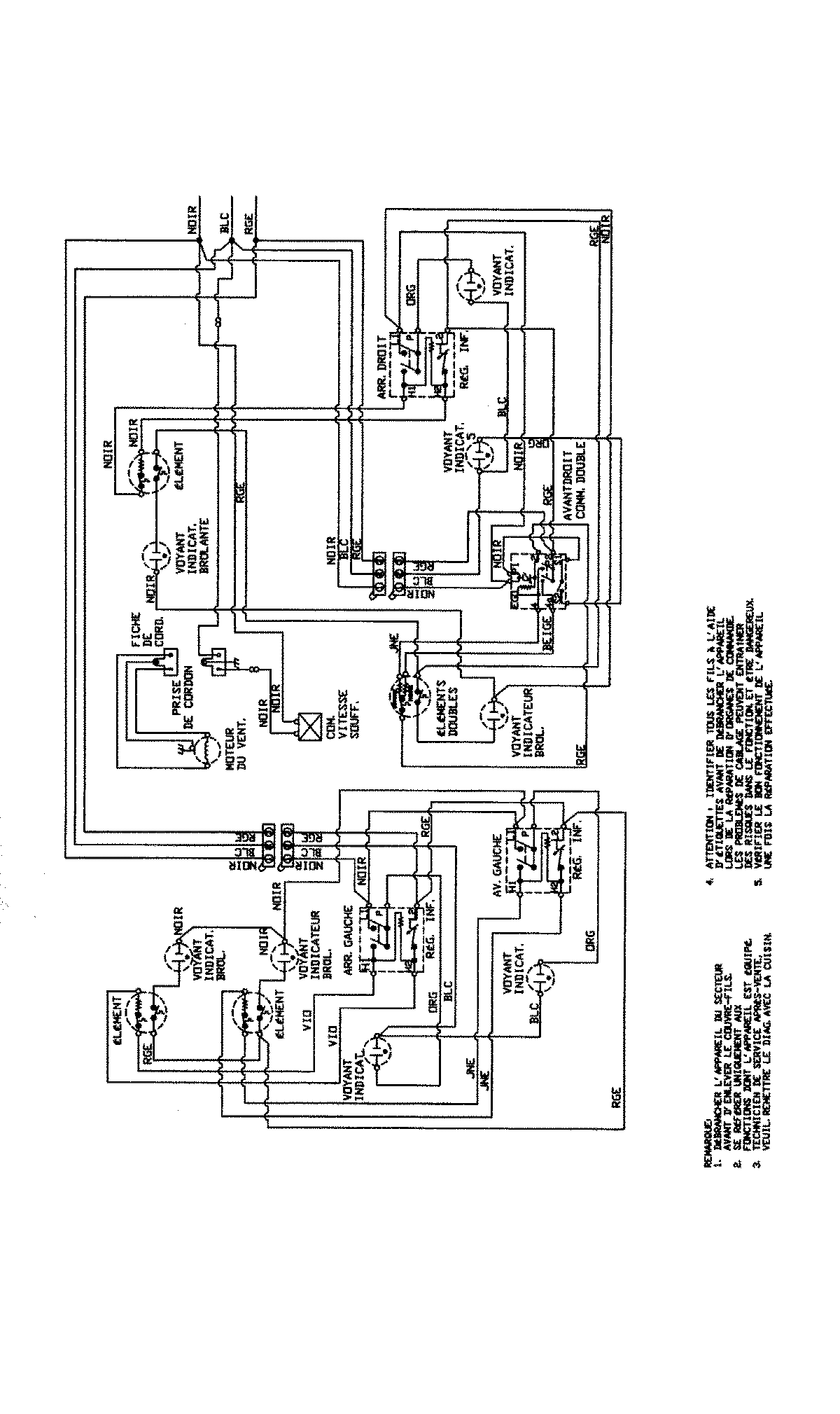
JED8430BDB 08 – WIRING INFORMATION (FRCH)admin2025-04-26T09:29:33+00:00JED8430BDB 08 – WIRING INFORMATION (FRCH) ProductsPositionProductNIMAY 15003739