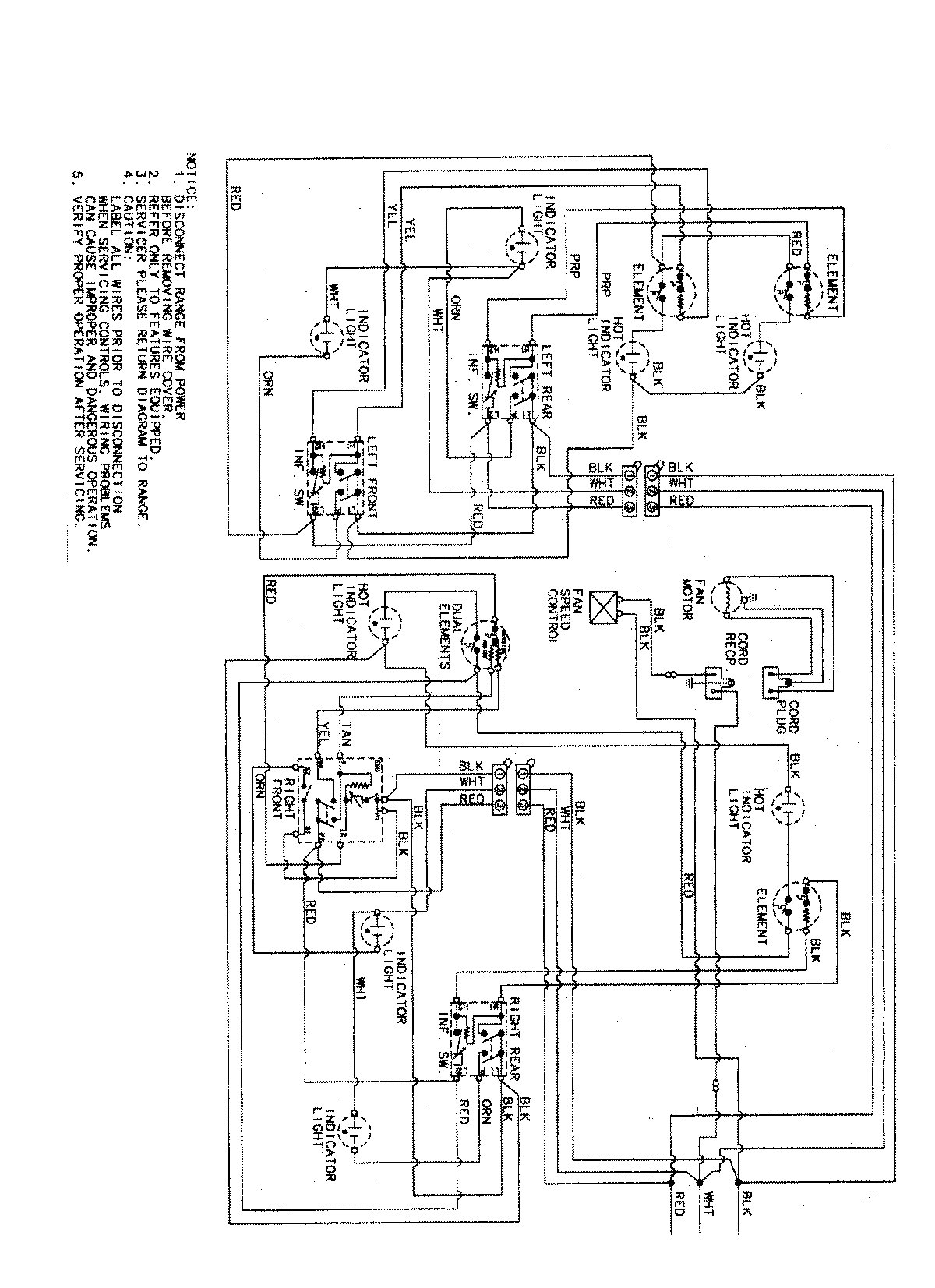
JED8430BDF 05 – WIRING INFORMATIONadmin2025-04-26T09:27:14+00:00JED8430BDF 05 – WIRING INFORMATION ProductsPositionProductNIMAY 15003738