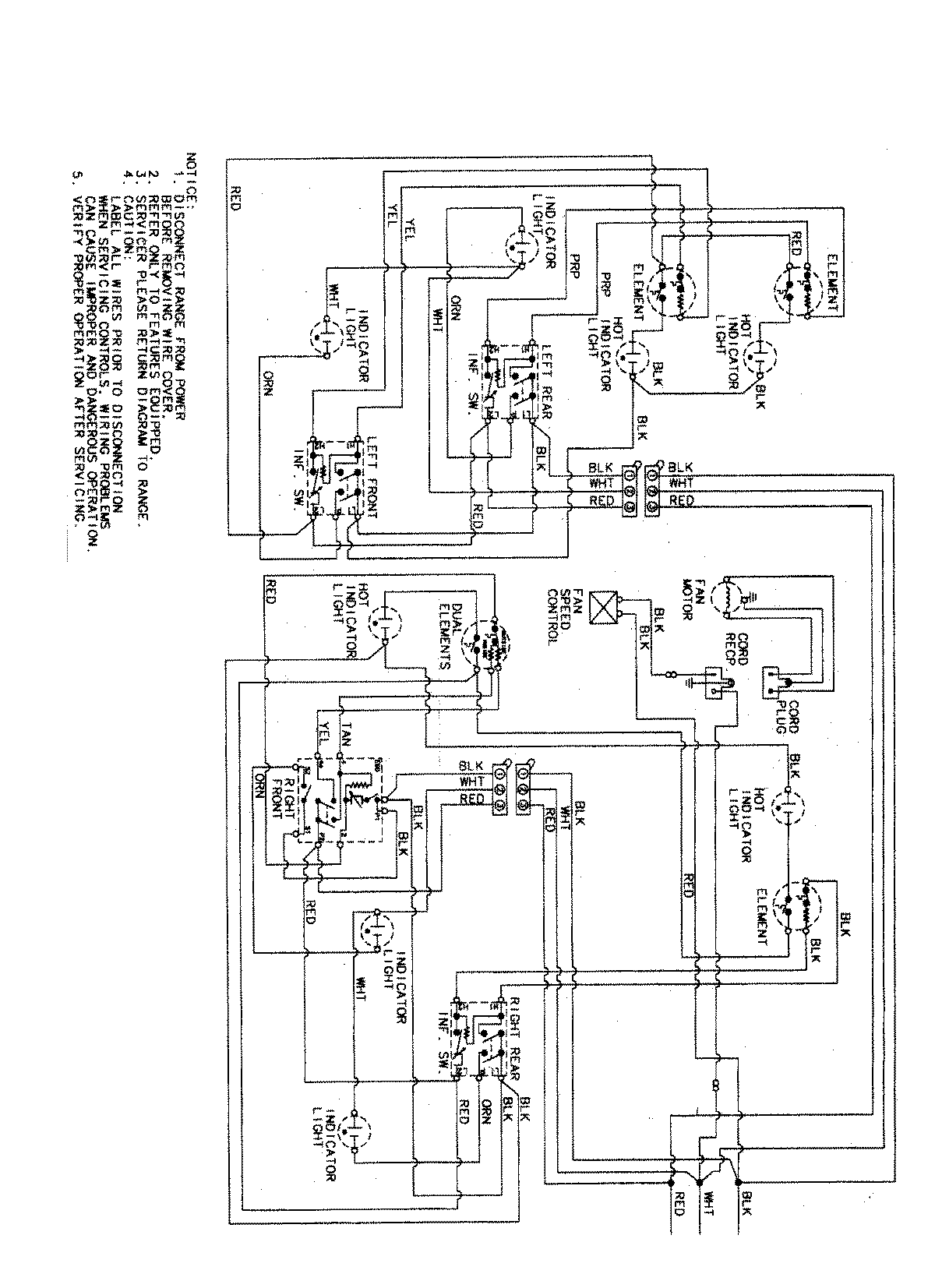
JED8430BDF 06 – WIRING INFORMATIONadmin2025-04-26T09:26:30+00:00JED8430BDF 06 – WIRING INFORMATION ProductsPositionProductNIMAY 15003346