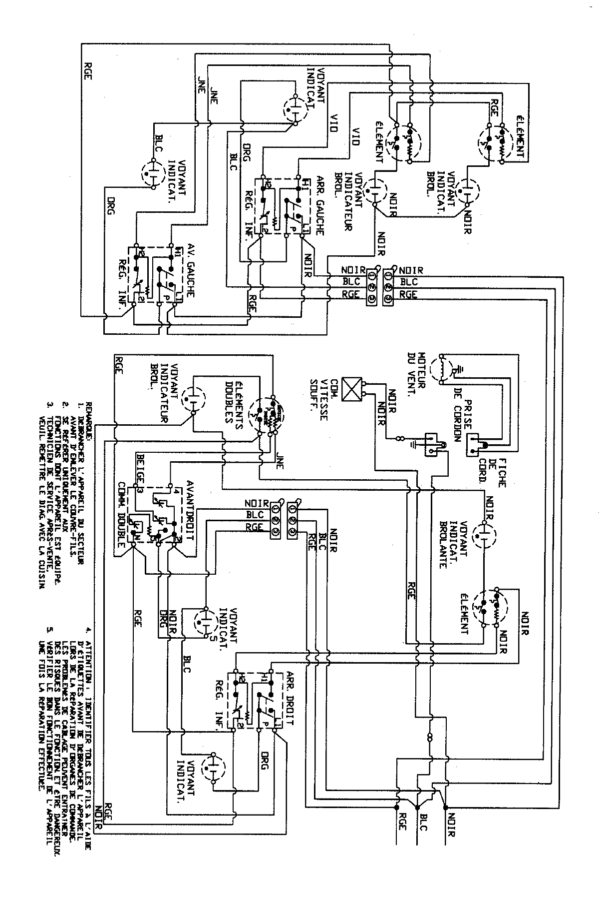
JED8430BDF 07 – WIRING INFORMATION (FRCH)

JED8430BDF 07 – WIRING INFORMATION (FRCH)

Products

PositionProduct
1MAY 15003347