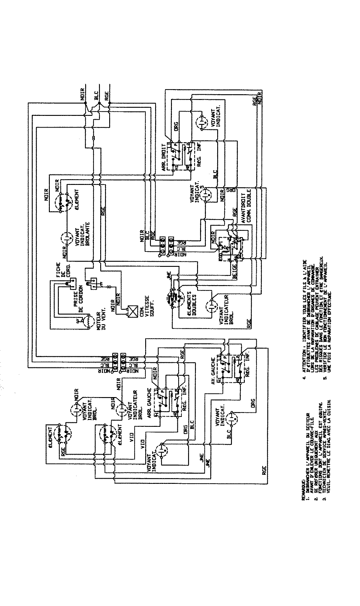
JED8430BDN 08 – WIRING INFORMATION (FRCH)

JED8430BDN 08 – WIRING INFORMATION (FRCH)

Products

PositionProduct
NIMAY 15003739