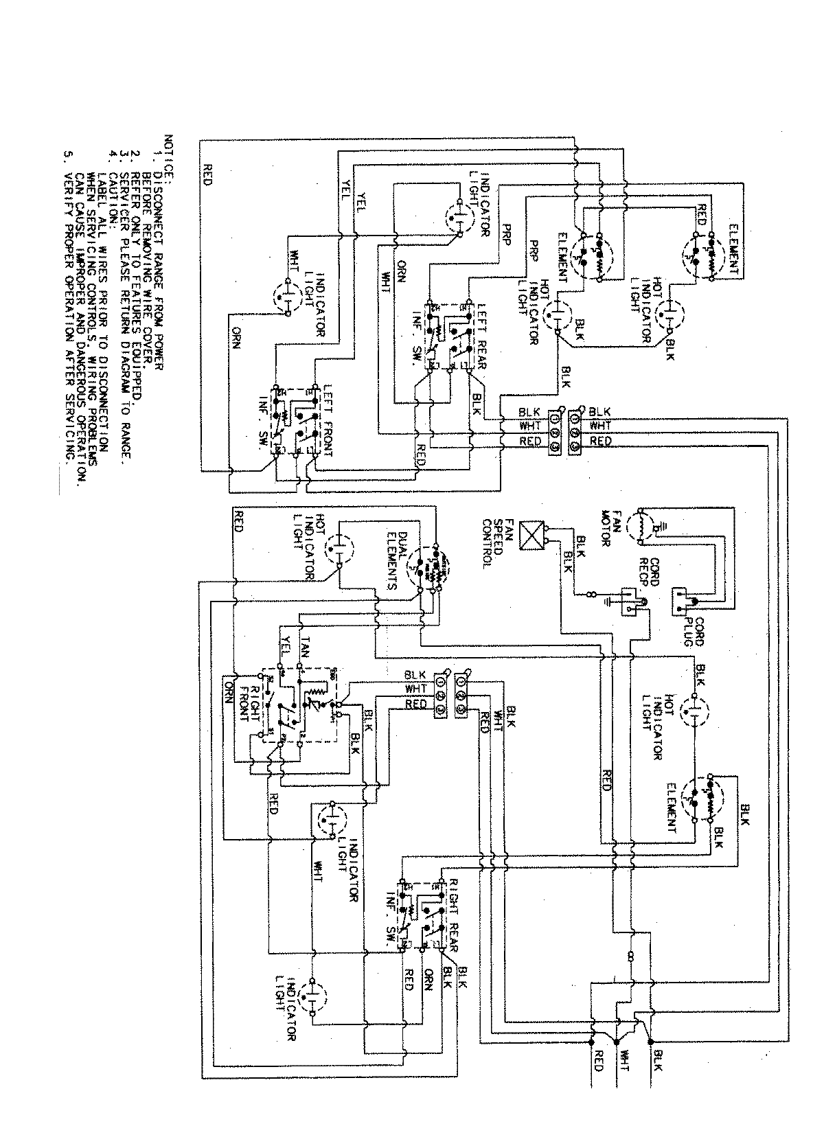
JED8430BDS 06 – WIRING INFORMATIONadmin2025-04-26T09:26:40+00:00JED8430BDS 06 – WIRING INFORMATION ProductsPositionProductNIMAY 15003346