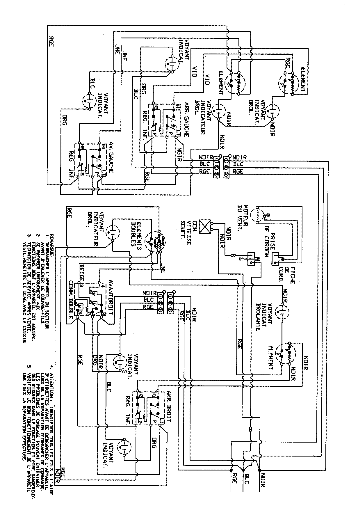
JED8430BDS 07 – WIRING INFORMATION (FRCH)admin2025-04-26T09:29:08+00:00JED8430BDS 07 – WIRING INFORMATION (FRCH) ProductsPositionProduct1MAY 15003347