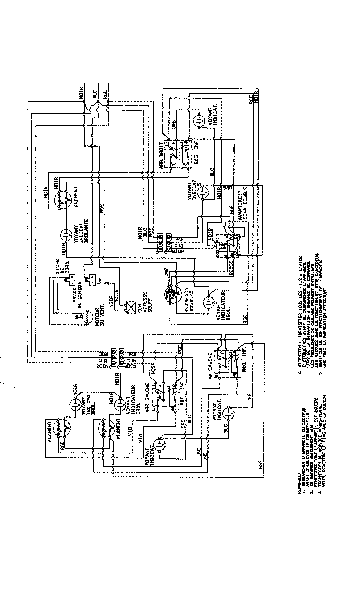
JED8430BDS 08 – WIRING INFORMATION (FRCH)admin2025-04-26T09:27:53+00:00JED8430BDS 08 – WIRING INFORMATION (FRCH) ProductsPositionProductNIMAY 15003739