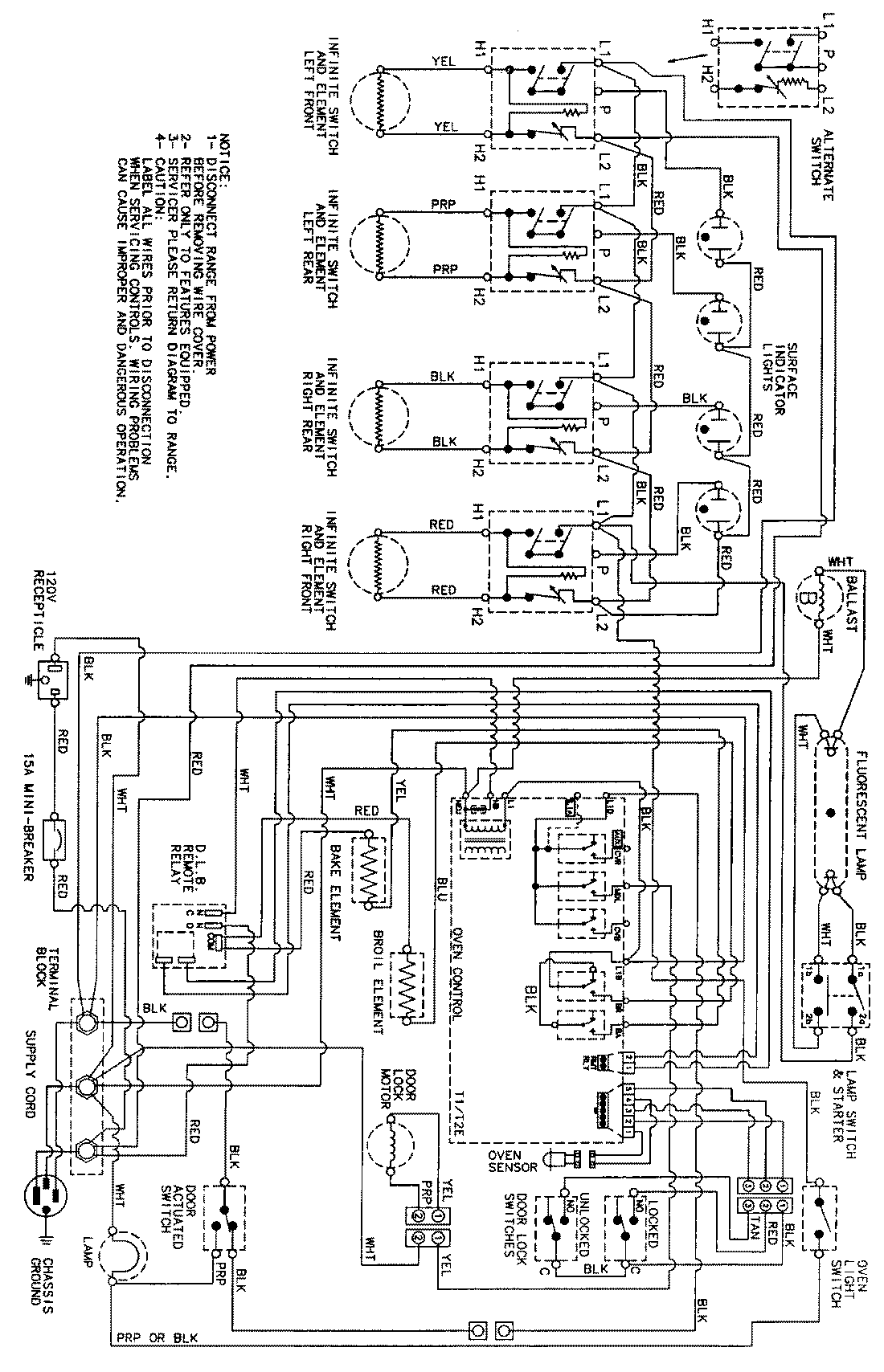
JER8550ACB 06 – WIRING INFORMATIONadmin2025-04-26T09:28:46+00:00JER8550ACB 06 – WIRING INFORMATION ProductsPositionProductNIMAY 15002287