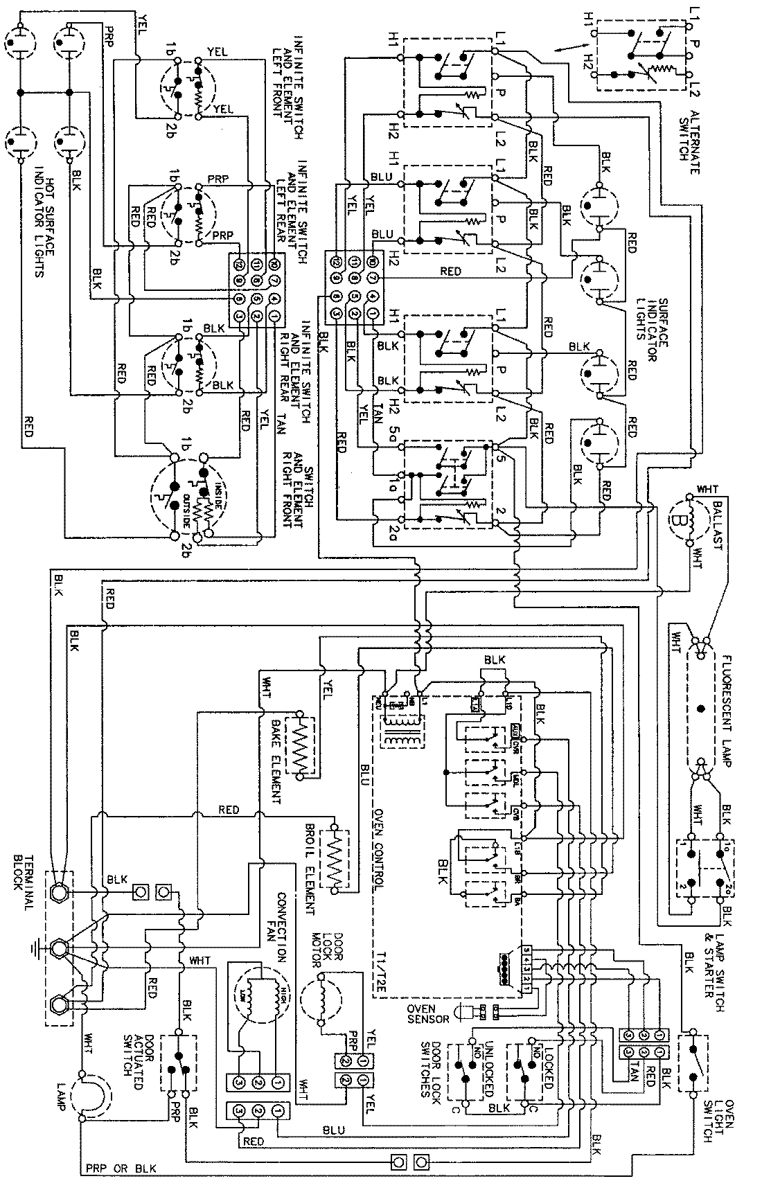
JER8750AAA 06 – WIRING INFORMATIONadmin2025-04-26T09:30:43+00:00JER8750AAA 06 – WIRING INFORMATION ProductsPositionProductNIMAY 15002344