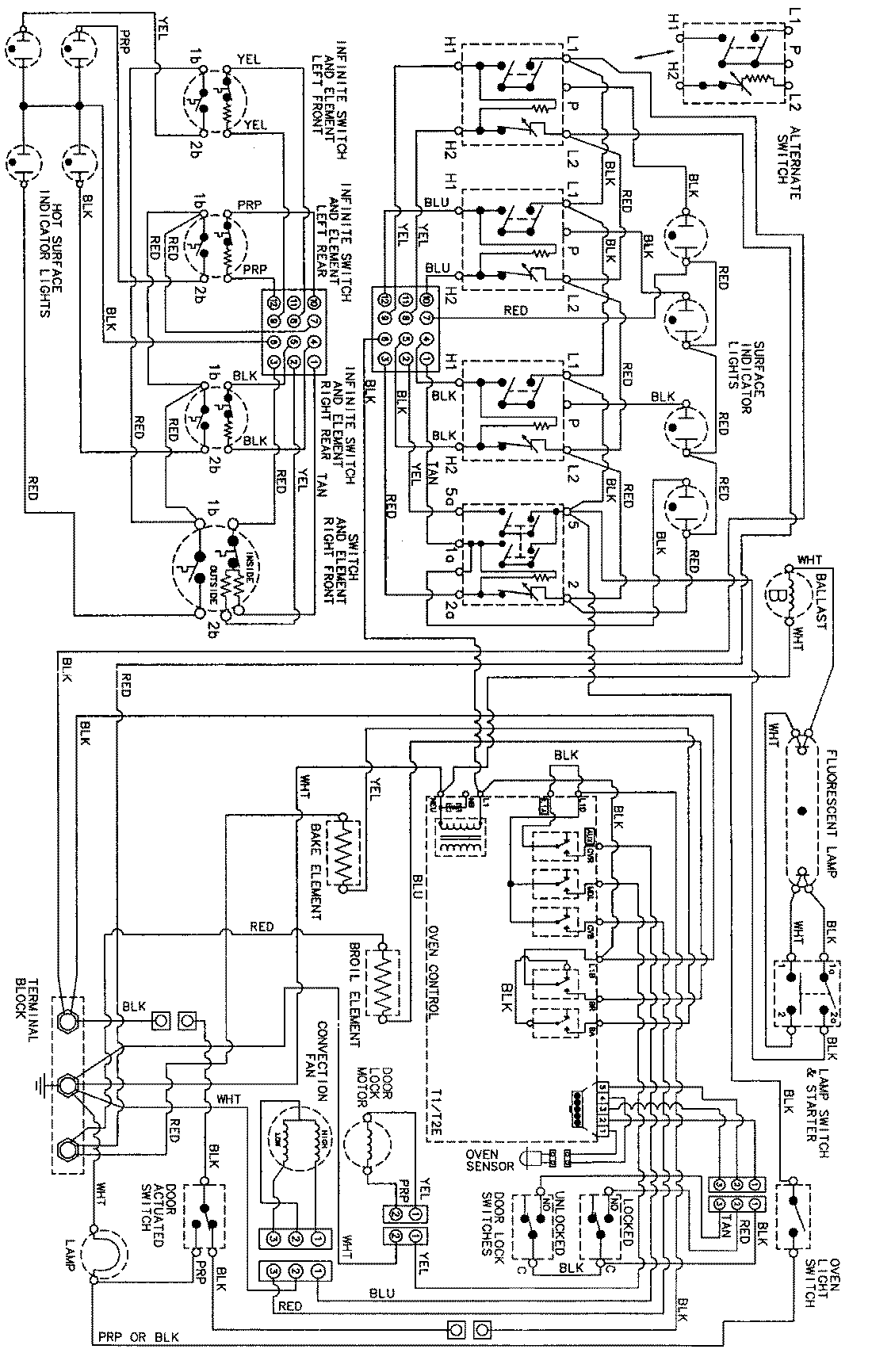
JER8750AAQ 06 – WIRING INFORMATIONadmin2025-04-26T09:30:52+00:00JER8750AAQ 06 – WIRING INFORMATION ProductsPositionProductNIMAY 15002344