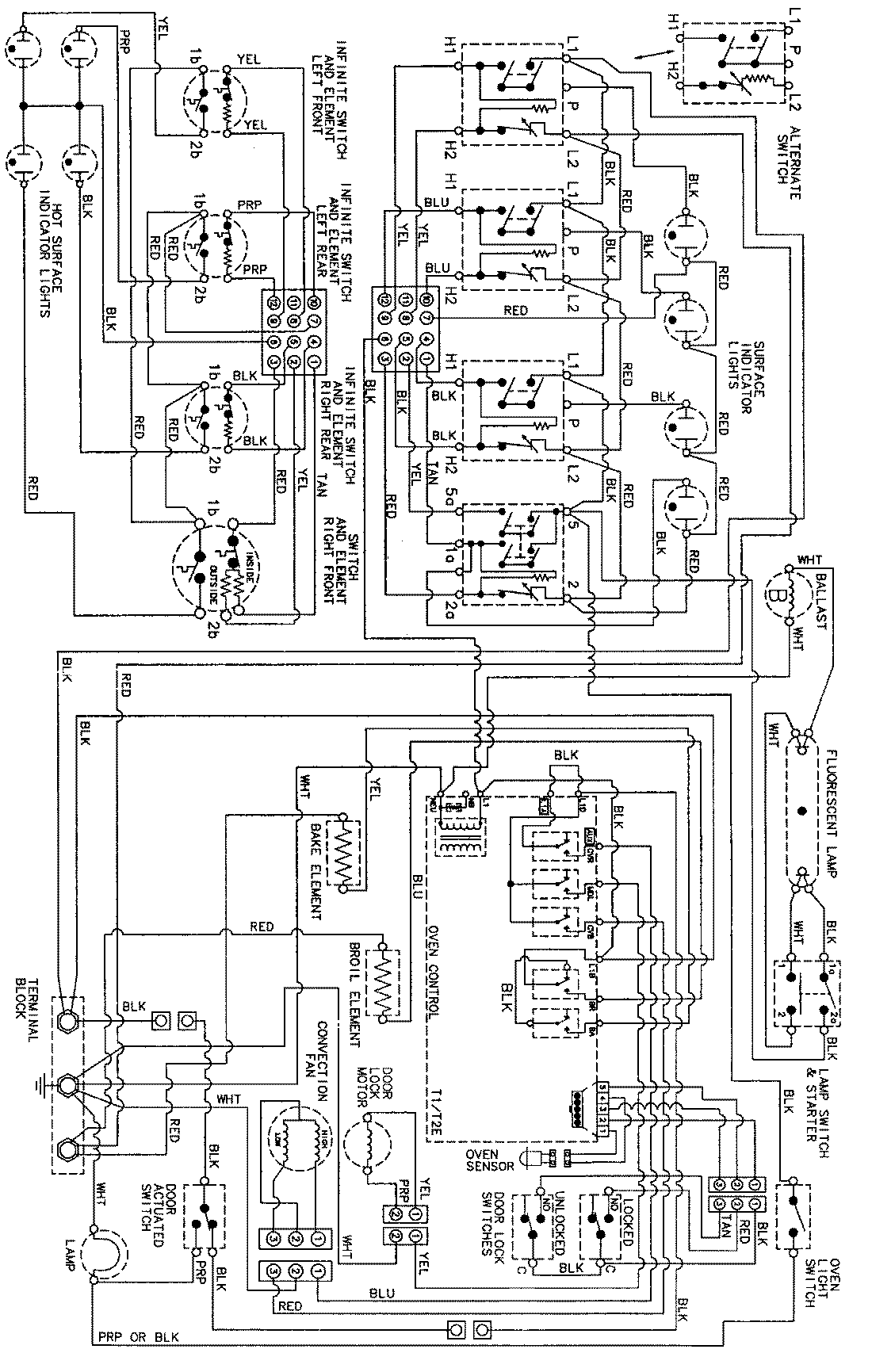
JER8750AAW 06 – WIRING INFORMATIONadmin2025-04-26T09:27:14+00:00JER8750AAW 06 – WIRING INFORMATION ProductsPositionProductNIMAY 15002344