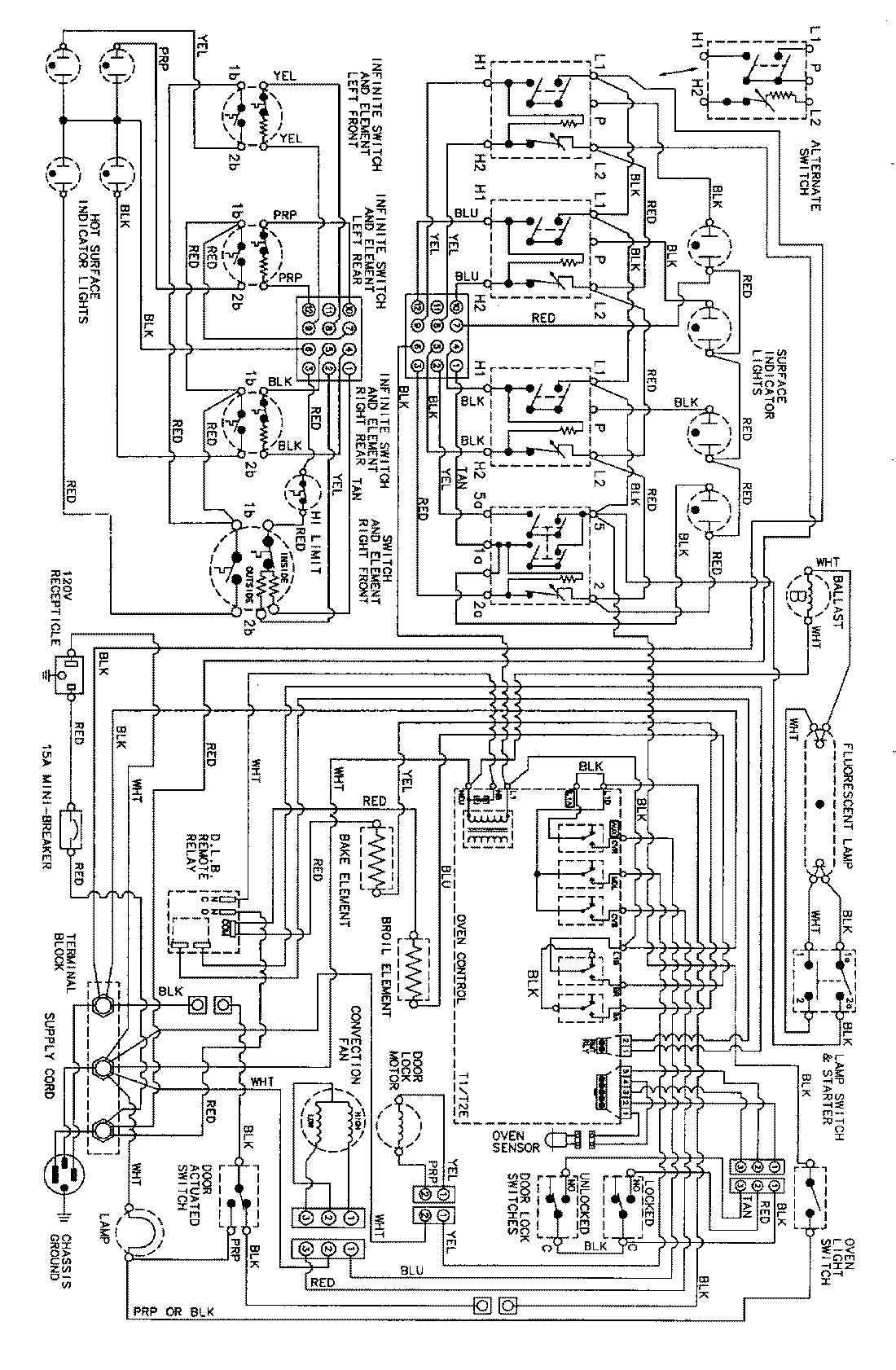
JER8750ACW 05 – WIRING INFORMATIONadmin2025-04-26T09:29:24+00:00JER8750ACW 05 – WIRING INFORMATION ProductsPositionProductNIMAY 15002290