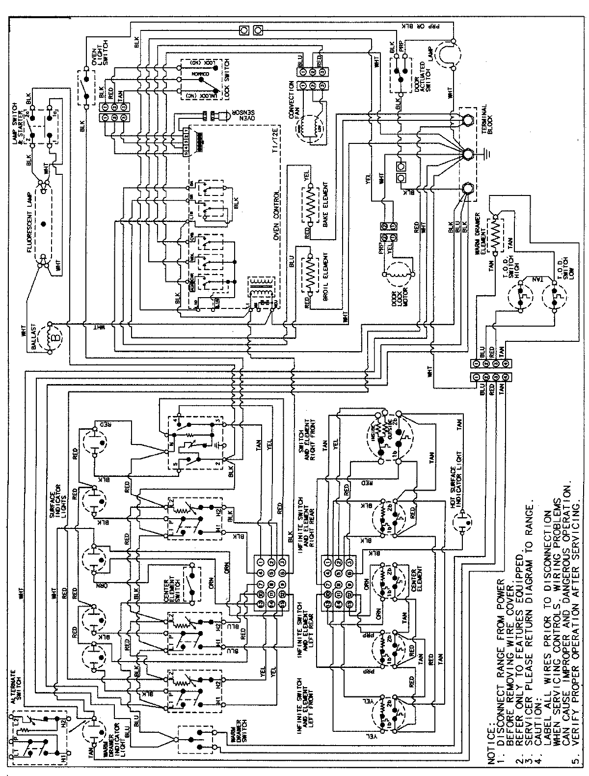
JER8750BAB 07 – WIRING INFORMATION