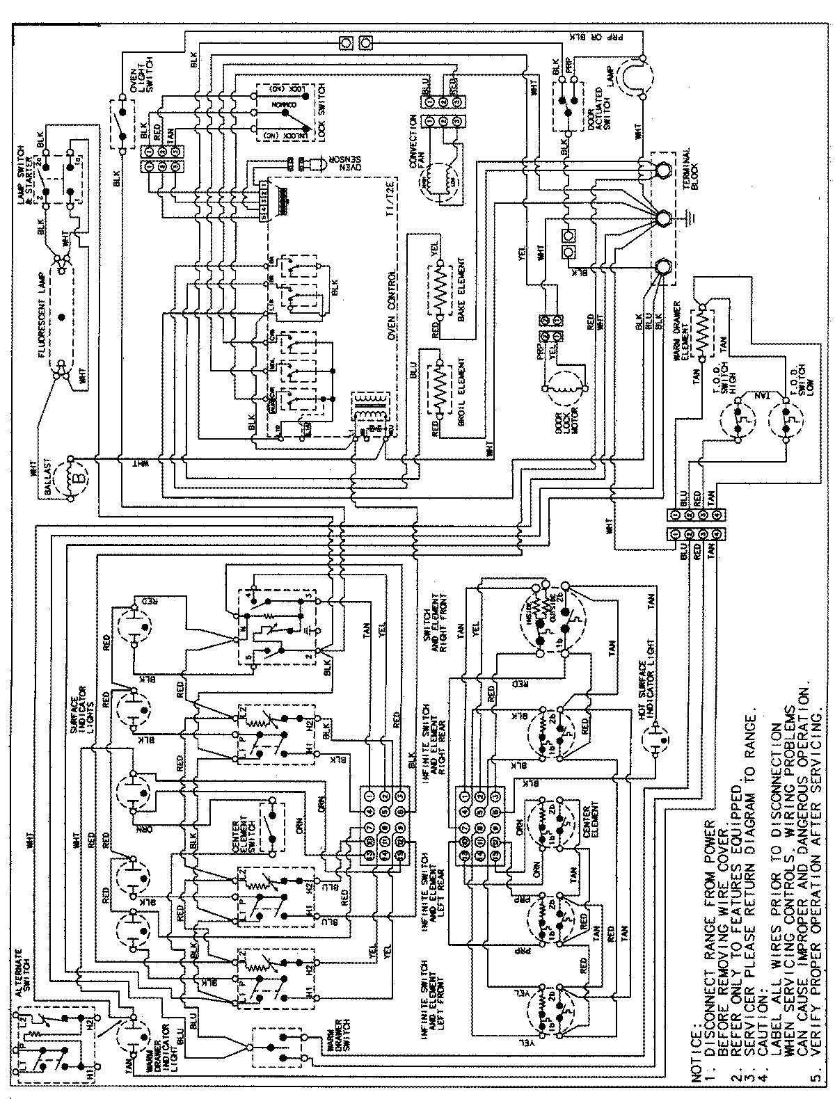
JER8750BAQ 07 – WIRING INFORMATIONadmin2025-04-26T09:29:53+00:00JER8750BAQ 07 – WIRING INFORMATION ProductsPositionProductNIMAY 15003108NIMAY 15002899NIMAY 15003099