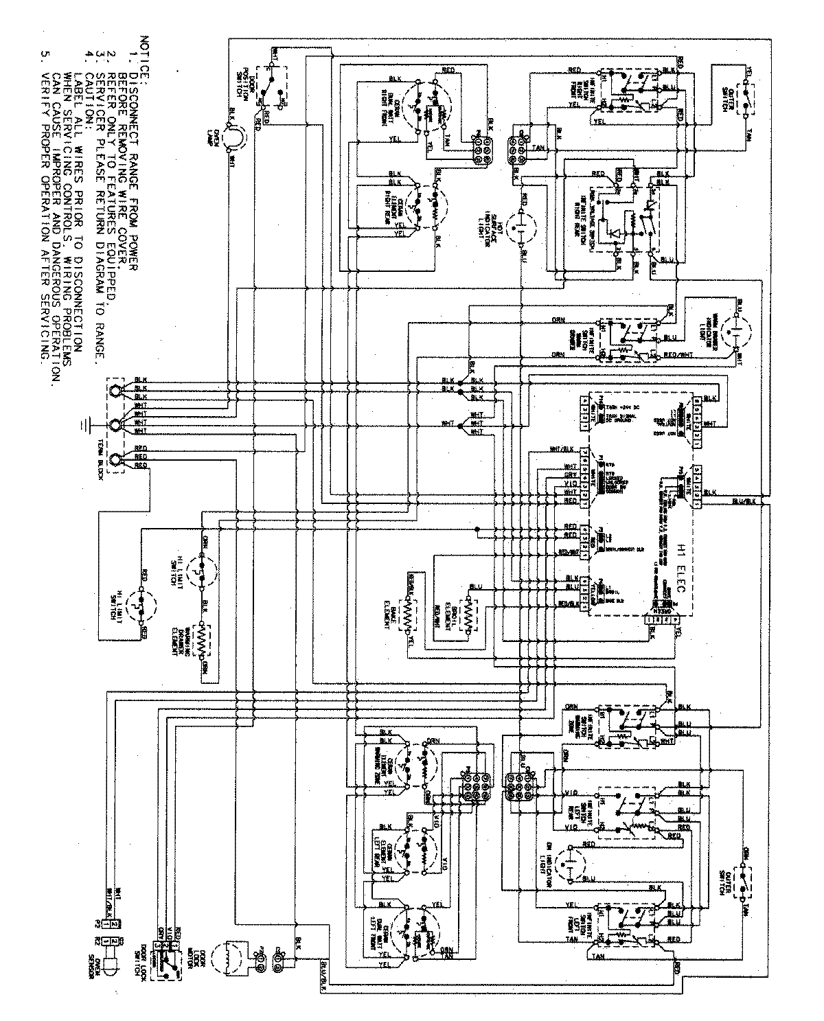
JER8785QAB 06 – WIRING INFORMATIONadmin2025-04-26T09:20:04+00:00JER8785QAB 06 – WIRING INFORMATION ProductsPositionProductNIMAY 15003697