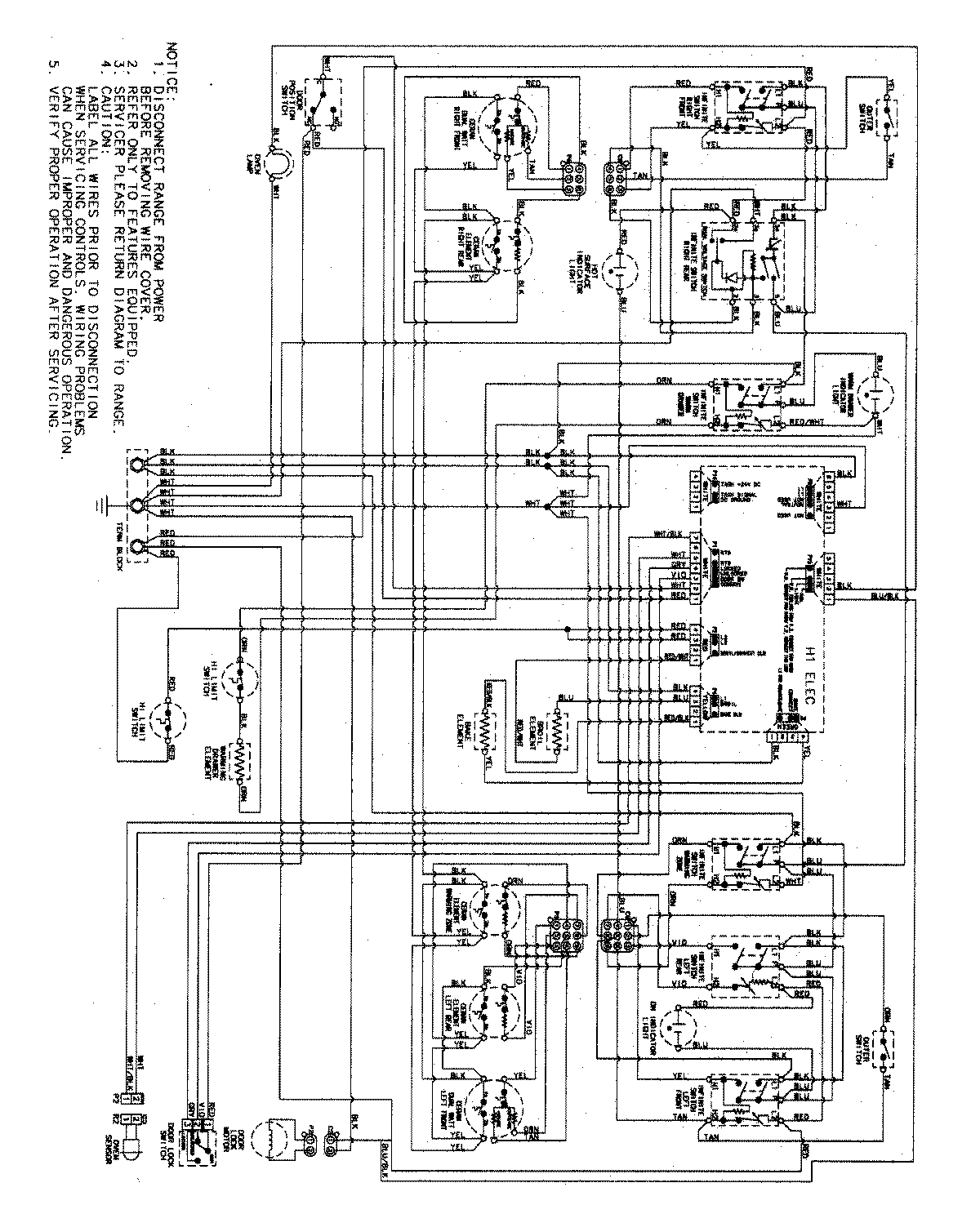
JER8785QAF 06 – WIRING INFORMATIONadmin2025-04-26T09:19:53+00:00JER8785QAF 06 – WIRING INFORMATION ProductsPositionProductNIMAY 15003697