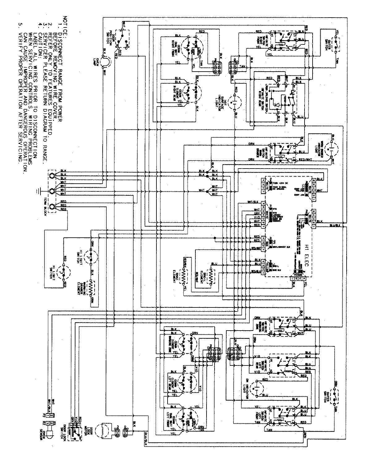
JER8785QAN 06 – WIRING INFORMATIONadmin2025-04-26T09:19:35+00:00JER8785QAN 06 – WIRING INFORMATION ProductsPositionProductNIMAY 15003697