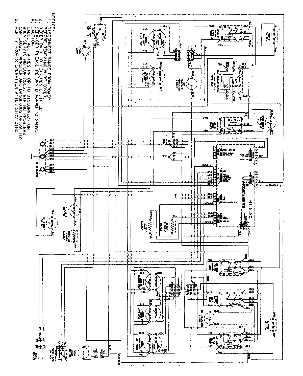
JER8785QAS 06 – WIRING INFORMATIONadmin2025-04-26T09:18:32+00:00JER8785QAS 06 – WIRING INFORMATION ProductsPositionProductNIMAY 15003697