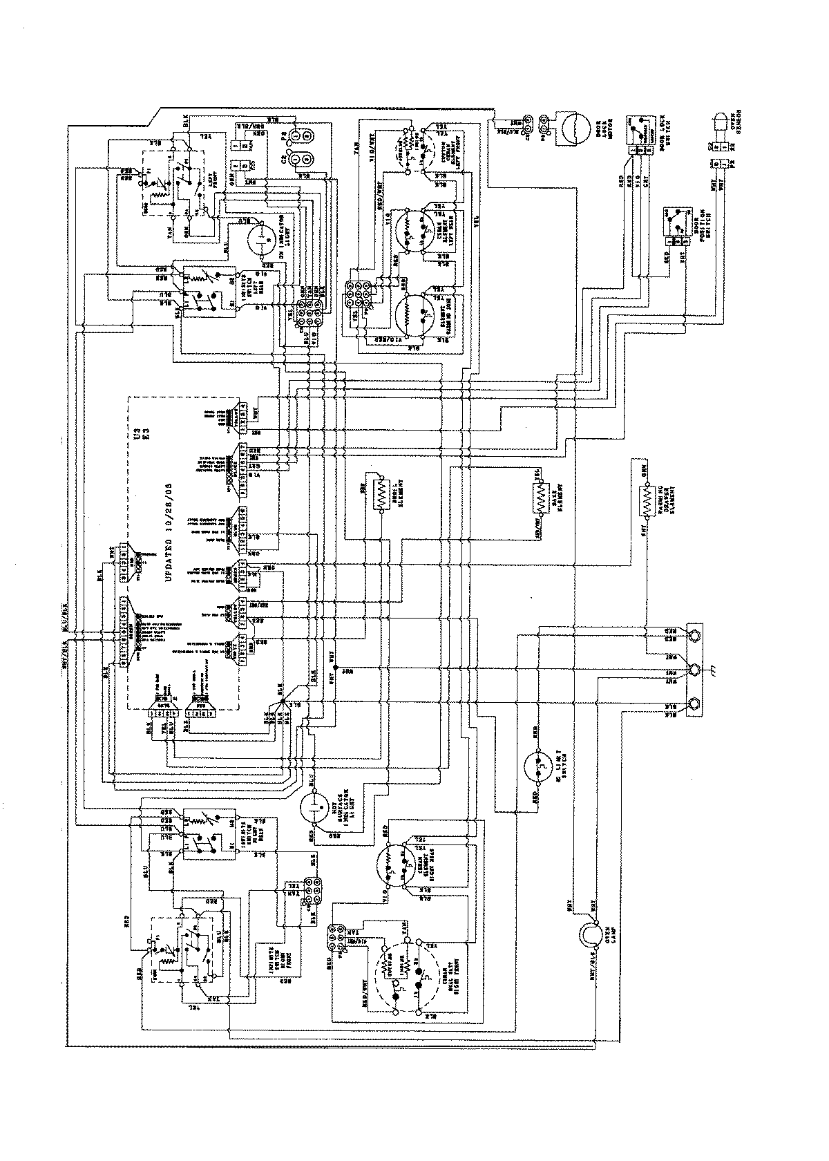
JER8785RAS 06 – WIRING INFORMATIONadmin2025-04-26T09:19:28+00:00JER8785RAS 06 – WIRING INFORMATION ProductsPositionProductNIMAY 8119P368-60