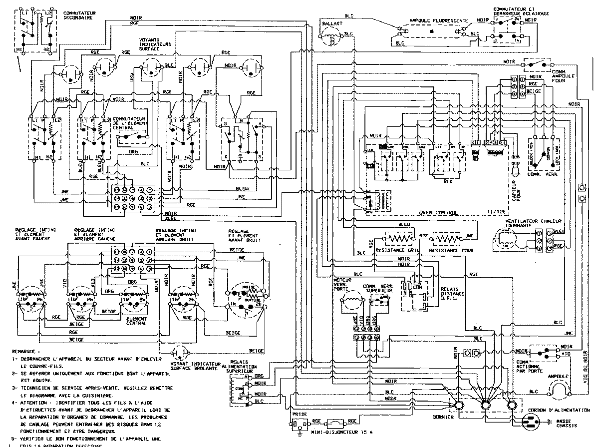
JER8849BCQ 07 – WIRING INFORMATIONadmin2025-04-26T09:18:39+00:00JER8849BCQ 07 – WIRING INFORMATION ProductsPositionProductNIMAY 15002901NIMAY 15003096NIMAY 15003107