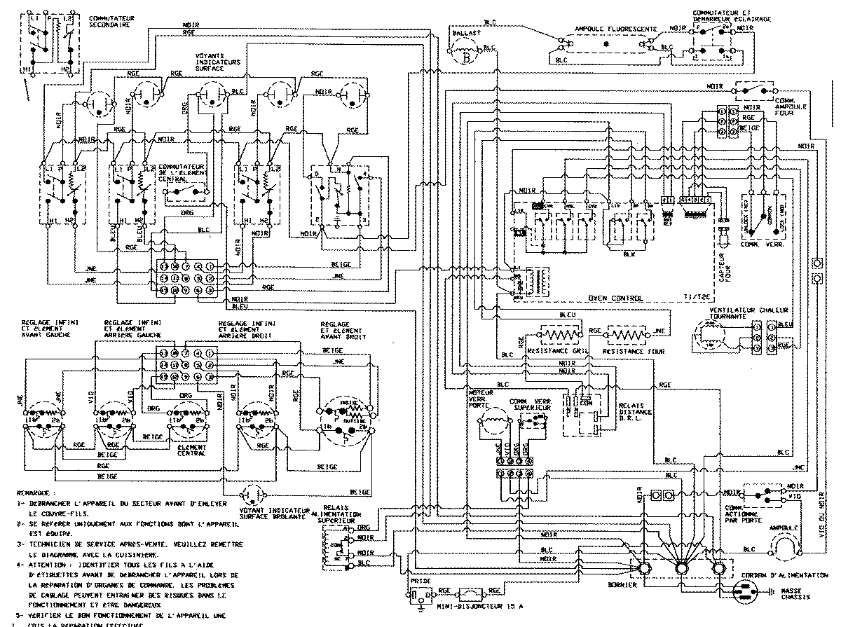
JER8849BCW 07 – WIRING INFORMATION