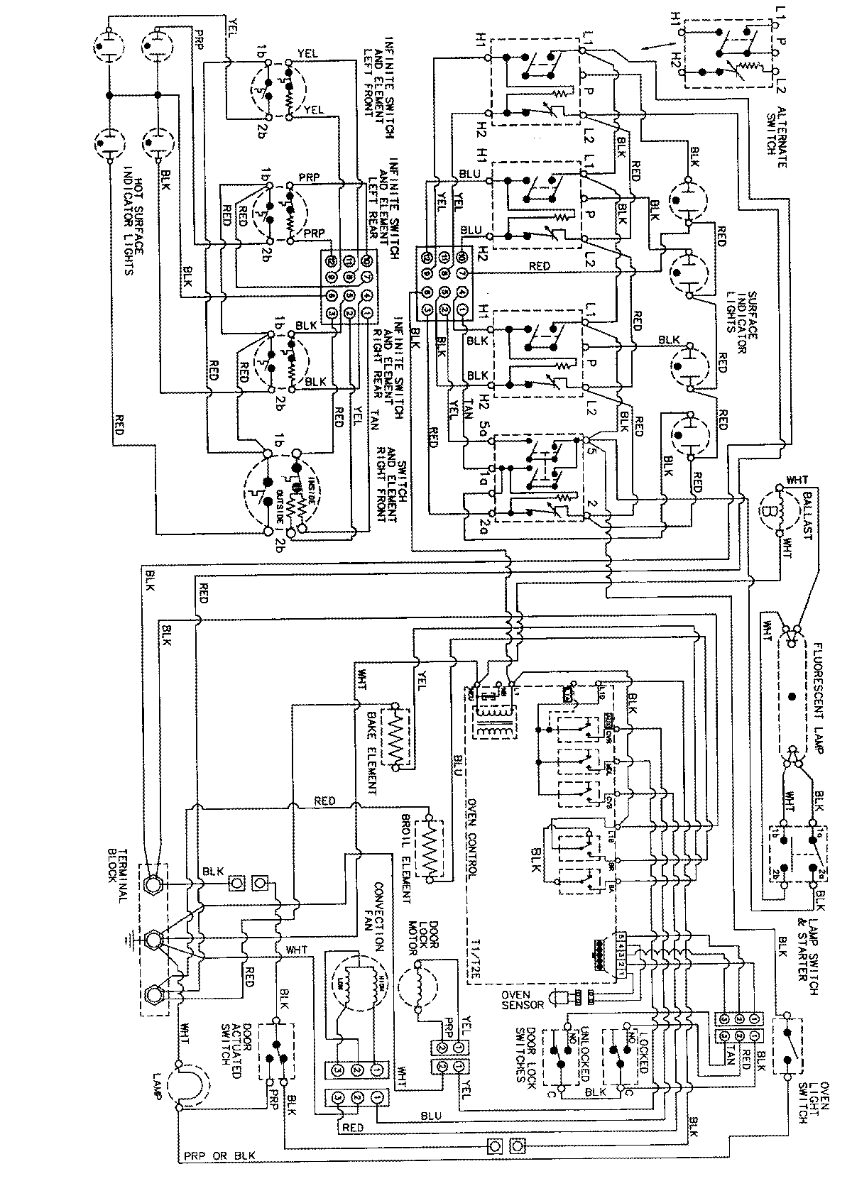
JER8850AAB 06 – WIRING INFORMATION

JER8850AAB 06 – WIRING INFORMATION

Products

PositionProduct
NIMAY 15002344