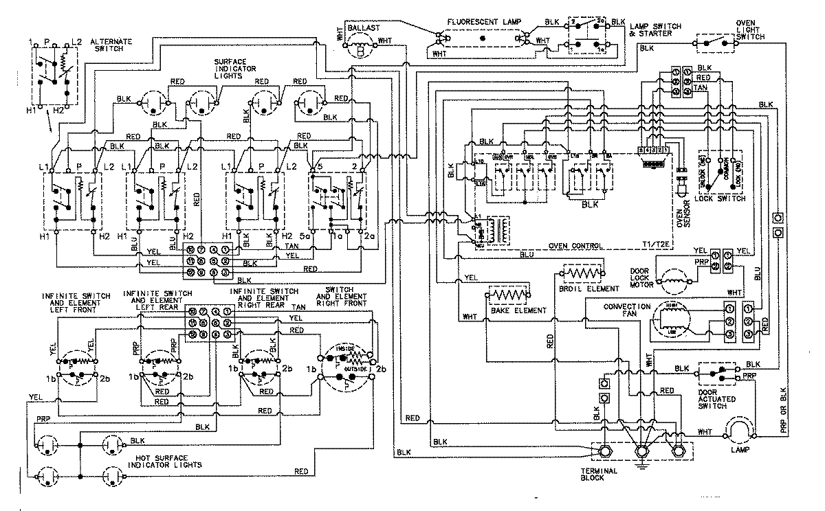
JER8850AAQ 06 – WIRING INFORMATIONadmin2025-04-26T09:19:06+00:00JER8850AAQ 06 – WIRING INFORMATION ProductsPositionProductNIMAY 15002776