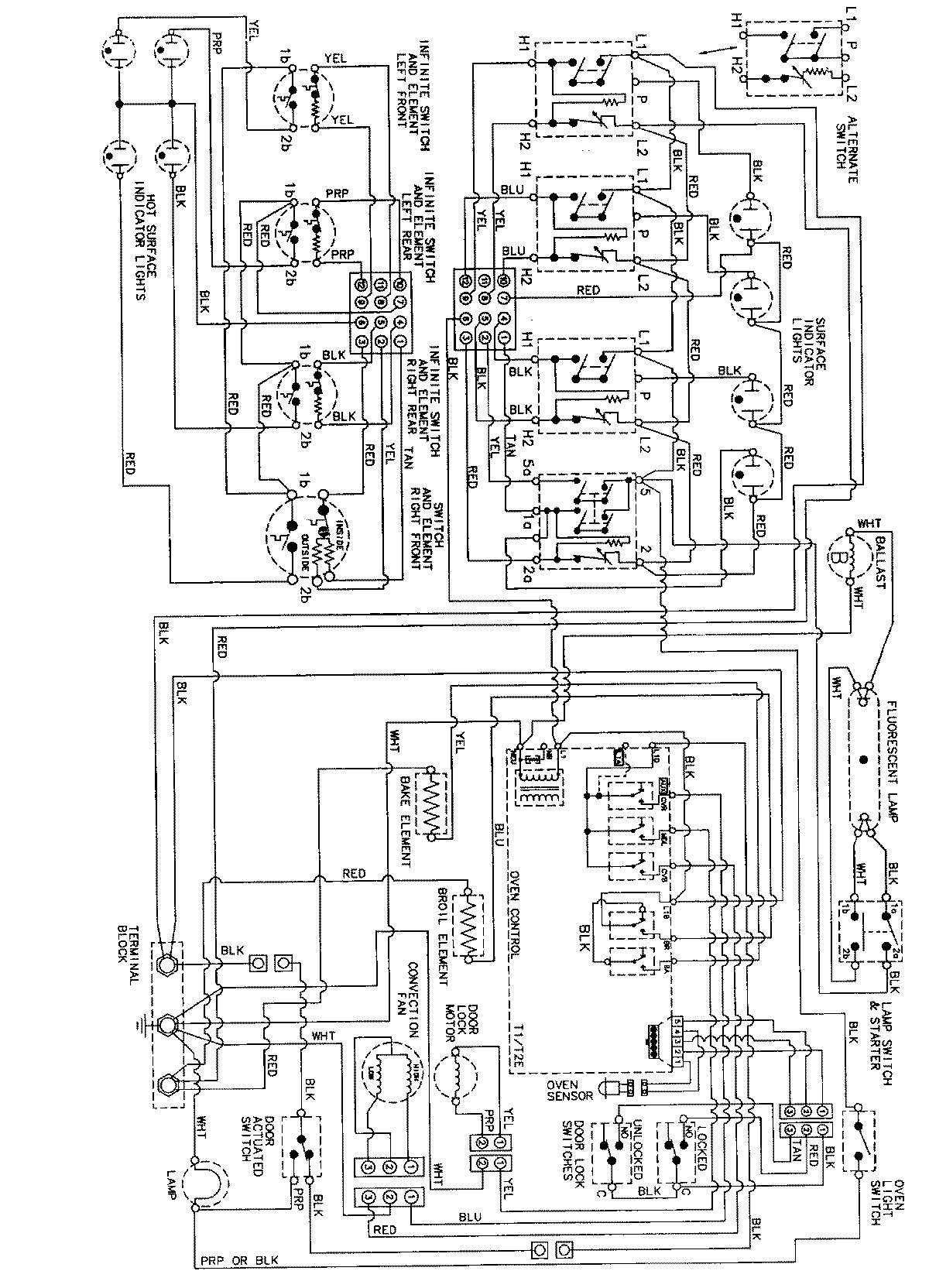
JER8850AAQ 07 – WIRING INFORMATIONadmin2025-04-26T09:18:39+00:00JER8850AAQ 07 – WIRING INFORMATION ProductsPositionProductNIMAY 15002344