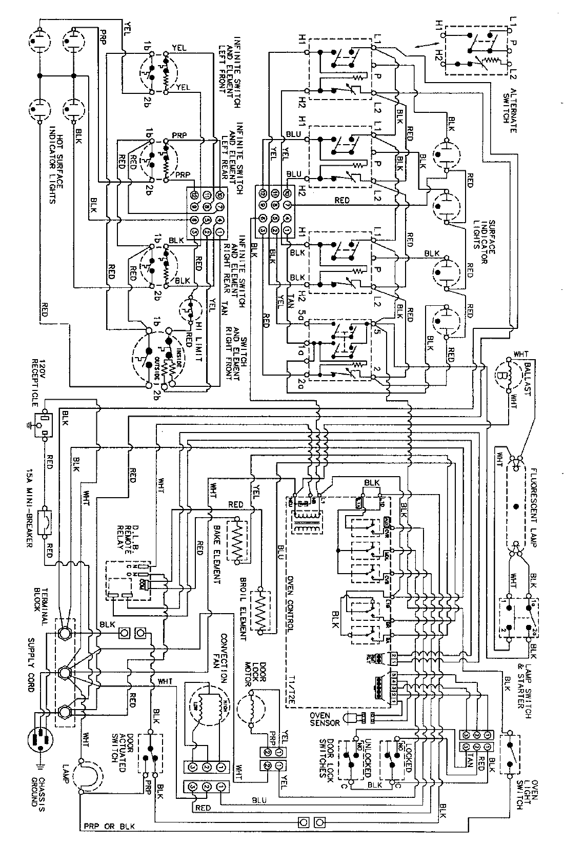
JER8850ACB 06 – WIRING INFORMATIONadmin2025-04-26T09:17:54+00:00JER8850ACB 06 – WIRING INFORMATION ProductsPositionProductNIMAY 15002290