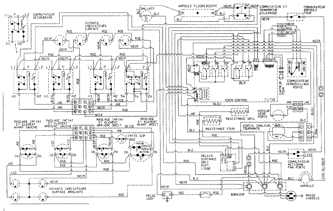
JER8850ACB 08 – WIRING INFORMATIONadmin2025-04-26T09:20:13+00:00JER8850ACB 08 – WIRING INFORMATION ProductsPositionProduct1MAY 15002772